国仪量子技术(合肥)股份有限公号/p>
白金会员
已认?/p>
#NEWS超高分辨场发射电镜发市/strong>
近日,国仪量子在2023全国电镜年会期间发布了全新的超高分辨场发射扫描电子显微镜SEM5000X+/strong>分辨率达到了突破性的0.6 nm@15 kV?.0 nm@1 kV,进一步夯实了国产高端电镜发展的基础、/p>
深度挖掘用户需 全新升级实现超强性能
国仪量子在服务客户时发现,传统的场发射扫描电镜在拍摄一些特殊样品时会出现成像质量不佳的问题。例如,纳米材料的导电性较差,样品的粒径通常也非常小,观测难度较高。但随着科研水平不断进步,对材料的观测尺度也将不断缩小,观测难度愈发提高。为解决这一难题,国仪量子显微镜研发团队在调研用户需求后,基于深厚的技术储备与产品工程化能力,推出了“挑战极限”的超高分辨场发射扫描电子显微镜SEM5000X、/p>

SEM5000X如何“挑战极限”?
极限挑战一:挑战超高分辨率
SEM5000X?5 kV下分辨率优于0.6 nm? kV下分辨率优于1 nm,成功挑战了热场发射扫描电镜的极限分辨率、/p>
国仪量子对SEM5000X电子光学系统中的物镜部分做了特殊的改进优化,电透镜和磁透镜的重合度进一步提高,使得色差减小?2%、球差减小了20%,整体上提升了电镜的分辨率、/p>
极限挑战二:不惧高难样品
在SEM5000X产品设计中,增加了样品台减速模块,采用了高压隧道和样品台减速的组合,实现双减速技术,能够挑战极限样品拍摄场景、/p>
极限挑战三:适应复杂环境
此外,我们自研了高精度的优中心样品台,采用了超稳定的机架,还额外设计了可屏蔽环境干扰的全包围式屏蔽系统,使SEM5000X能够轻松适应各种复杂环境、/p>
产品优势
SEM5000X
01
超高分辨率成像,达到了突破性的0.6 nm@15 kV?.0 nm@1 kV
02
样品台减速和高压隧道技术组合的双减速技术,挑战极限样品拍摄场景
03
高精度机械优中心样品台、超稳定性的机架减震设计,可搭配整体罩壳设计,极大减弱环境对极限分辨率的影响
04
最大支?寸晶?最大直?08 mm)的快速换样仓,满足半导体和科研应用需汁/p>
如果您需要一台更高性能,更高分辨率的电镜,那您一定不能错过超高分辨场发射扫描电子显微镜SEM5000X、/strong>
应用案例展示

介孔二氧化硅/1 kV(Dul-Dec?lnlens

芯片/5 kV/BSED-COMP

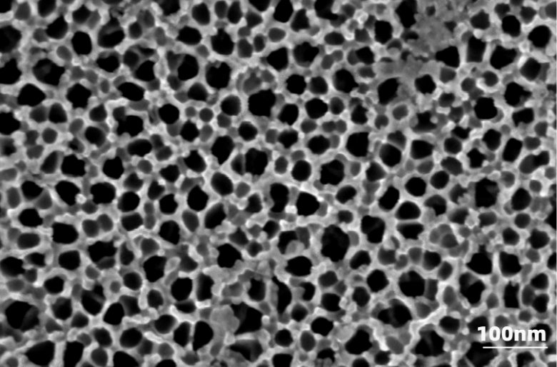
阳极氧化铝板/10 kV/Inlens

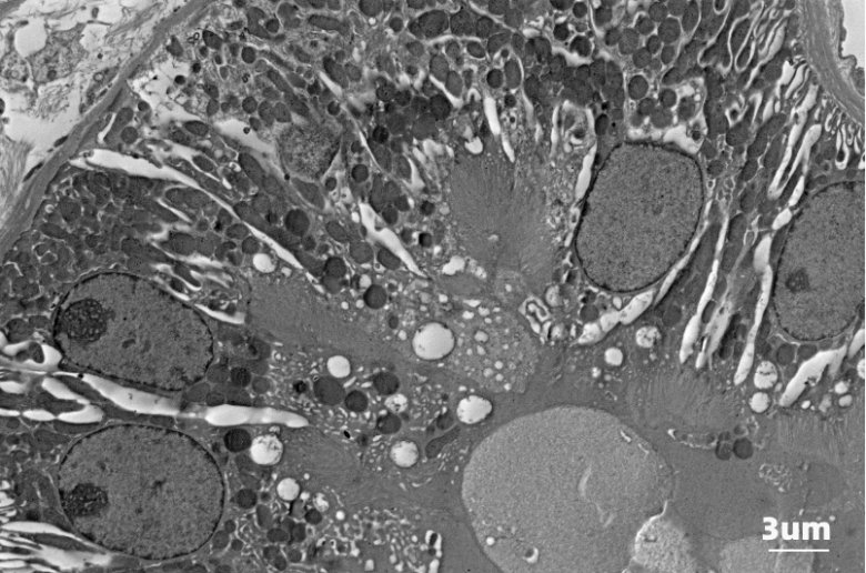
肾脏切片/5 kV/BSED-COMP

泡沫?2 kV/ETD-SE

光刻?2 kV/ETD-SE

蓝宝石衬?5 kV/ETD-SE

磁性粉?10 kV/Inlens

金颗?1 kV/Inlens

二氧化硅?3 kV/ETD-SE

催化?1 kV/ETD-SE

波导/1 kV/ETD-SE
最新动?/p>更多![]()