R-300 配件选购指南
BUCHI 旋转蒸发 R-300 满足旋转蒸发在便捷性和多功能性方面的最高要求。其模块化设计允许将其扩展成一个全集成系统,在该系统中一个中央界面调节每个组件。R-300 在众多领域都能根据配置展开不同的应用,让我们看看皮实耐用的它有哪些配件可以选择吧!
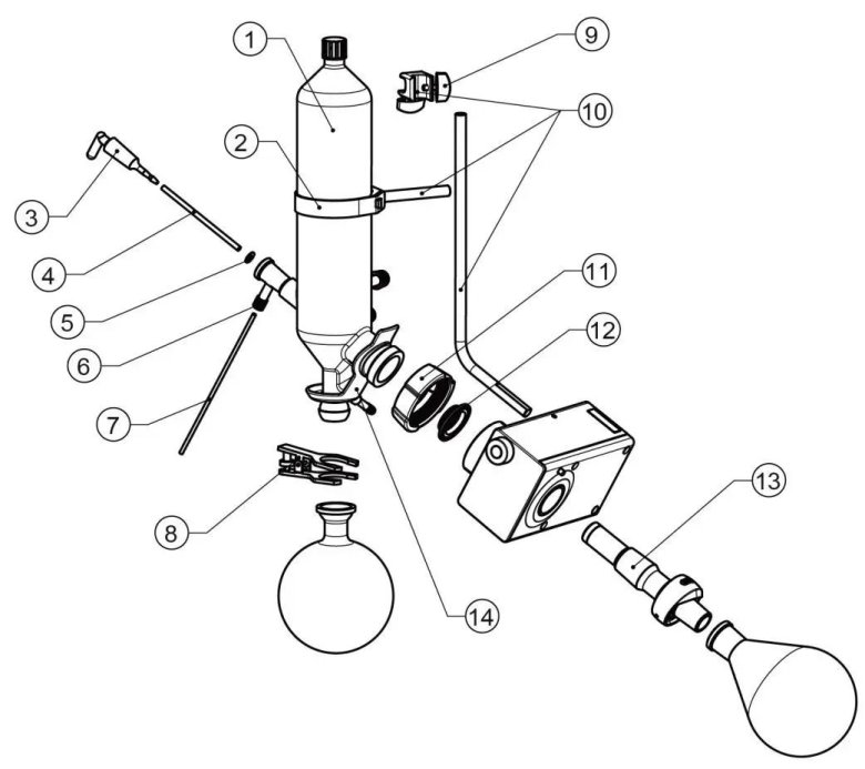
R-300 常用配件
|
货号 |
||
|
1 |
11059368* |
V型冷凝器 |
|
040627* |
||
|
3 |
11063244* |
Tygon Ø 6.4/12.7mm |
|
11062387* |
||
|
5 |
000426* |
2000ml 接受瓵/p> |
|
11059770* |
||
|
7 |
000431* 000432* 000433* 000434* 000435* 000436* 000437* 046573* |
50ml 梨形蒸发瓵/p> 100ml 梨形蒸发瓵/p> 250ml 梨形蒸发瓵/p> 500ml 梨形蒸发瓵/p> 1000ml 梨形蒸发瓵/p> 2000ml 梨形蒸发瓵/p> 3000ml 梨形蒸发瓵/p> 5000ml 蒸发瓵/p> |
以上配件均可通过线下渠道购买+/p>
* 号为瑞士步琦淘宝官方店铺有售+/p>
复制并搜索货号即可找到相应配件哦?/p>
冷凝?/strong>
|
货号 |
||
|
1 |
11059368* 11059369 |
V型冷凝器 V型冷凝器 P+G |
|
032013 |
||
|
3 |
040627* |
进样?/p> |
|
000646 |
||
|
5 |
040625 |
PTFE 排水? Ø5.1/14 mm |
|
023875 023900 |
||
|
7 |
028096 |
PTFE ? Ø3/4 mm |
|
003275* |
||
|
9 |
027344 |
十字奖/p> |
|
048180 |
||
|
11 |
11062387* |
法兰大螺母盖 |
|
11069167* |
||
|
13 |
11062186* |
带卡扣的玻璃蒸汽导管 29/32(短(/p> |
|
11061985 |
以上配件均可通过线下渠道购买+/p>
* 号为瑞士步琦淘宝官方店铺有售+/p>
复制并搜索货号即可找到相应配件哦?/p>
购买渠道
扫一?/span>
淘宝官方店铺{/span>瑞士步琦
拨打联系电话9br style="box-sizing: border-box;"/>
400 - 880 - 8720
选择
‛/strong>配件购买“/strong>
瑞士步琦期待您的选购?/span>
长按上方二维码联系我?/strong>
或拨打联系电话:
400 - 880 - 8720
微信公众叶/strong>
步琦智慧实验宣/span>
淘宝官方旗舰?nbsp;
瑞士步琦

白金会员
已认?/p>




