成都精新粉体测试设备有限公司
白金会员
已认?/p>
粉体的流动性(flowability)与粒子的形状、大小、表面状态、密度、空隙率等有关,加上颗粒之间的内摩擦力和粘附力等的复杂关系,粉体的流动性无法用单一的物性值来表达。然而粉体的流动性对颗粒剂、胶囊剂、片剂等制剂的重量差异影响较大,是保证产品质量的重要环节。粉体的流动形式很多,如重力流动、振动流动、压缩流动、流态化流动等,相对应的流动性的评价方法也有所不同,当定量地测量粉体的流动性时最好采用与处理过程相对应的方法,表1列出了流动形式与相应流动性的评价方法、/span>
?/span>1 流动形式与其相对应的流动性评价方泔/span>
?nbsp;籺/span> |
现象或操佛/span> |
流动性的评价方法 |
重力流动 |
瓶或加料斗中的流凹/span> |
流出速度,壁面摩擦角 |
振动流动 |
振动加料,振动筛 |
休止角,流出速度+/span> |
压缩流动 |
压缩成形(压片) |
压缩度,壁面摩擦觑/span> |
流态化流动 |
流化层干燥,流化层造粒 |
休止角,最小流化速度 |
(一)流动性的评价与测定方泔/span>
1.休止角
休止角(angle of repose)是粉体堆积层的自由斜面与水平面形成的最大角。常用的测定方法有注入法,排出法,倾斜角法等,如图1所示。休止角不仅可以直接测定,而且可以测定粉体层的高度和圆盘半径后计算而得。即tanθ=高度/半径、/span>

国/span>1 休止角测定示意图
休止角是粒子在粉体堆体积层的自由斜面上滑动时所受重力和粒子间摩擦力达到平衡而处于静止状态下测得,是检验粉体流动性的好坏的最简便的方法。休止角越小,摩擦力越小,流动性越好,一般认为θ≤40°时可以满足生产流动性的需要。粘附性粉体(sticky powder?nbsp;或粒子径小于100?00μm以下粉体的粒子间相互作用力较大而流动性差,相应地所测休止角较大。值得注意的是,测量方法不同所得数据有所不同,重现性差,所以不能把它看作粉体的一个物理常数、/span>
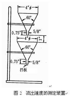
2.流出速度
流出速度(flow velocity)是将物料加入于漏斗中测定全部物料流出所需的时间来描述,测定装置如?所示。如果粉体的流动性很差而不能流出时加入100μm的玻璃球助流,测定自由流动所需玻璃球的量(w%),以表示流动性。加入量越多流动性越差、/span>

3.压缩度
压缩度(compressibility)将一定量的粉体轻轻装入量筒后测量最初松体积;采用轻敲法(tapping method)使粉体处于最紧状态,测量最终的体积;计算最松密度?与最紧密度ρf;根据公?2-31计算压缩度c、/span>

国/span>3 轻敲测定?/span>
压缩度是粉体流动性的重要指标,其大小反映粉体的凝聚性、松软状态。压缩度20%以下时流动性较好,压缩度增大时流动性下降,当C值达?0%~50%时粉体很难从容器中自动流出、/span>
4.内部摩擦系数λ/span>
(二)流动性的影响因素与改善方泔/span>
1.适当增加粒径
2.控制粉粒湿度
3.加入润滑?nbsp;
4. 粒子形态及表面粗糙?/span>