
一、什么是部分行程测试(PST-Paitial Stroke Testing(/span>
所谓ESD阀的部分行程测试(PST-Paitial Stroke Testing)是作为一种紧急切断(ESD-Emergency Shutdown)阀的一种安全措施,在ESD阀系统中检测故障的方法,就是让ESD阀做周期性的部分行程动作。例如:ESD阀从全开位置部分关闭10-30%行程,按一定的时间间隔设定周期性的动作,以便更好地检查其阀杆移动情况,判断其功能的工作状态是否正常。PST是一种不影响ESD阀正常运行的可靠的检测方法、/span>
二、PST部分行程测试在紧急切断阀上的应用
工艺生产装置正常运行中,ESD阀通常处于全开状态,在PST测试中,万一导致ESD阀误关闭,则将使生产装置故障停车而造成事故。因此,对于ESD阀的开度要有限制,防止ESD阀误关闭。一般情况下,根据ESD阀的流量特性,PST测试时,ESD阀的开度多设定?0-90%(即关闭行程10%-30%),可以用很多方法实施PST,这里仅以带气动执行机构的ESD阀进行PST测试,介绍如何进行PST测试的具体方法、/span>
本文介绍的气动执行机构型PST部分行程测试,由于该系统其简单独特的机械系统,不含电子设备(微处理器),无需控制软件。该气动执行机构附加PST功能,成为整个系统的特点、/span>
⒇span style="margin: 0px; padding: 0px; max-width: 100%; box-sizing: border-box !important; word-wrap: break-word !important; font-family: 宋体; color: black; letter-spacing: 1px; font-size: 14px; font-stretch: normal; line-height: normal;">直行程气动执行机构型PST部分行程测试的原理介绍(见图1.):
电磁阀长期失电,处于常通状态,气缸常开(有杆腔通气);
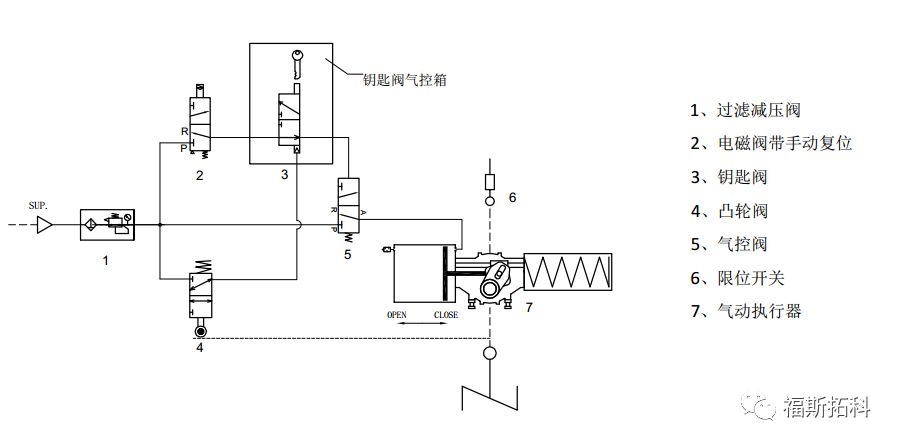
适用于直行程紧急切断阀,当做部分行程检测时,拧动钥匙阀,这时钥匙阀换位处于排气状态,气控阀换向,执行器朝关闭方向移动,当执行器移动到设定位置时,预设撞块会碰到凸轮阀,这时凸轮阀换向,仪表气通过凸轮阀给钥匙阀一个气压信号,钥匙阀就会恢复到初始位置保持进气状态,气控阀复位,执行器快速朝打开方向移动,恢复至测试前的状态,完成部分行程的检测过程。本系统除了具有部分行程检测功能外,还附加断气保护回路,确保在供气故障时整个系统的安全性,其工作原理是:平时正常工作时,一路气通过三通阀经过滤减压阀向主回路供气;另一路是辅助回路,通过过滤器经单向阀向储气罐充气,当出现供气故障时,气动型三通阀(在弹簧力作用下)自动换向,改由储气罐供气,完成故障停车前的工艺操作,来满足生产的需求、/span>
以下?、图3、图4分别为PST在直行程ESD阀上的应用实例、/span>

? 直行程气动执行机构型PST在ESD阀上应用的气控原理国/span>

? 直行程气动执行机构型PST在ESD阀的应?/span>

? PST应用于ESD阀的车间组装现圹/span>

? PST在某大型炼油厂ESD阀上的实际应用
⒈span style="margin: 0px; padding: 0px; max-width: 100%; box-sizing: border-box !important; word-wrap: break-word !important; font-size: 14px; font-family: 宋体; color: black; font-stretch: normal; line-height: normal;">角行程气动执行机构型PST部分行程测试的原理介绍(见图5.):
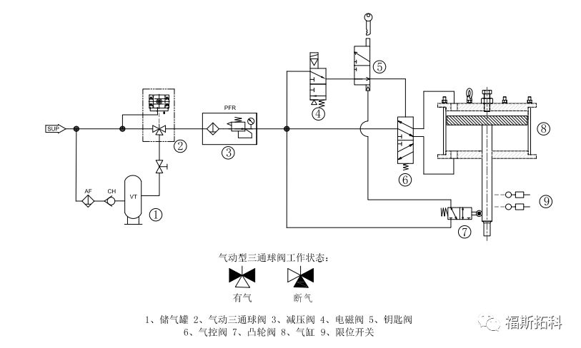
适用于回转型紧急切断阀,并能够进行部分行程检测,气路图电磁阀为非励磁状态,阀门状态为关闭。采??通带手动复位的电磁阀,在开启阀门时要确认电磁阀的手动按钮是否在复位状态,气控阀用于快速进气和排气,实现紧急切断阀门,失电失气阀门关闭、/span>
当需要做部分行程检测时,只需拧到钥匙阀,这时钥匙阀换位处于排气状态,气控阀、执行器排气,ESD阀逐渐关闭,当执行器运动到设定位置时,执行器转轴的旋转会带动凸轮的转动,当凸轮曲线转到设定点?会碰到预设位置的凸轮阀阀杆,这时使凸轮阀换向,仪表气通过凸轮阀给钥匙阀一个气压信号,钥匙阀就会恢复到初始位置保持进气状态。气缸供气,恢复至阀门打开状态,完成部分行程的检测过程。为防止雨水、杂质进入钥匙阀,可将钥匙阀放入气控箱,起到更好地保护作用、/span>
?.是角行程气动执行机构型PST的一体化应用实例

? 角行程气动执行机构型PST在ESD阀上应用的气控原理国/span>

? 角行程气动执行机构型PST的一体化应用
三、ESD阀PST部分行程测试时的优缺炸/span>
⒈ESD阀部分行程测试的优炸/span>
span style="margin: 0px; padding: 0px; max-width: 100%; box-sizing: border-box !important; word-wrap: break-word !important; font-family: 宋体; color: black; font-size: 14px; font-stretch: normal; line-height: normal;">部分行程测试(PST)减少了风险,较之全行程测试,降低了PFD(失效概率)值,导致SIL(高安全完整性等?提高,增加了ESD阀的可靠性;
①span style="margin: 0px; padding: 0px; max-width: 100%; box-sizing: border-box !important; word-wrap: break-word !important; font-family: 宋体; color: black; font-size: 14px; font-stretch: normal; line-height: normal;">部分行程测试能够延长全行程测试的时间间隔,但它不能取代全行程测试(FST?只是对全行程测试的一个补充;
②span style="margin: 0px; padding: 0px; max-width: 100%; box-sizing: border-box !important; word-wrap: break-word !important; font-family: 宋体; color: black; font-size: 14px; font-stretch: normal; line-height: normal;">提供维修依据:/span>
③span style="margin: 0px; padding: 0px; max-width: 100%; box-sizing: border-box !important; word-wrap: break-word !important; font-family: 宋体; color: black; font-size: 14px; font-stretch: normal; line-height: normal;">由于进行了PST测试,ESD阀的旁路阀存在取消的可能性;
④span style="margin: 0px; padding: 0px; max-width: 100%; box-sizing: border-box !important; word-wrap: break-word !important; font-family: 宋体; color: black; font-size: 14px; font-stretch: normal; line-height: normal;">减少测试成本:/span>
?span style="margin: 0px; padding: 0px; max-width: 100%; box-sizing: border-box !important; word-wrap: break-word !important; font-family: 宋体; color: black; font-size: 14px; font-stretch: normal; line-height: normal;">自动化部分行程测试能够增强测试的安全性,降低由于手动测试造成的人为误差的概率:/span>
2.ESD阀部分行程测试的缺炸/span>
span style="margin: 0px; padding: 0px; max-width: 100%; box-sizing: border-box !important; word-wrap: break-word !important; font-family: 宋体; color: black; font-size: 14px; font-stretch: normal; line-height: normal;">PST测试不能检测ESD全部故障,有些故障要靠全行程测试(FST)来解决;
①span style="margin: 0px; padding: 0px; max-width: 100%; box-sizing: border-box !important; word-wrap: break-word !important; font-family: 宋体; color: black; font-size: 14px; font-stretch: normal; line-height: normal;">装置运行不正常,导致ESD阀震荡,这种情况不适于PST测试:/span>
②span style="margin: 0px; padding: 0px; max-width: 100%; box-sizing: border-box !important; word-wrap: break-word !important; font-family: 宋体; color: black; font-size: 14px; font-stretch: normal; line-height: normal;">PST测试通常只做20%的行程测试,如果情况需要增加,则测试行程也只能增加10%、/span>
ESD阀在SIS正常运行时会固定在某一状态而不变化,由于这种原因产生“固着”现象而导致失效,所以必须进行测试以揭露那些未被发现的危险失效,防止ESD阀在危险条件出现时不能正确执行其切断功能(或打开功能)。部分行程检测(PST)降低了PFDavg(平均失效概率)值,提高了安全完整性等级(SIL)并使得ESD阀动作的可靠性大幅度提高。PST延长了全行程测试的间隔时间,自动化的PST能够增强测试的安全性,降低测试风险和测试失效的可能性。PST测试受测试周期(即检验测试间隔时间)测试频率和测试条件影响,测试频率没有硬性规定,但ESD阀的测试频率要比逻辑解算器高,一般情况下,由用户决定。本文提到的部分行程测试方法因工艺等各方面原因应用于不同场合,随着IEC61511及相关国家标准的贯彻落实,ESD阀部分行程测试必将会普及应用、/span>
参考文?/span>
?\span style="margin: 0px; padding: 0px; max-width: 100%; box-sizing: border-box !important; word-wrap: break-word !important; font-family: 宋体; color: black; font-size: 14px; font-stretch: normal; line-height: normal;">阳宪惠,郭海涛,安全仪表系统的功能安? 清华大学出版礽/span>
?\span style="margin: 0px; padding: 0px; max-width: 100%; box-sizing: border-box !important; word-wrap: break-word !important; font-family: 宋体; color: black; font-size: 14px; font-stretch: normal; line-height: normal;">刘建? 功能安全技术基础. 机械工业出版礽/span>