复纳科学仪器(上海)有限公司
金牌会员
已认?/p>
扫描电镜样品飘移的原因和解决方法
扫描电镜(SEM)作为材料微观形貌分析的一种手段,被广泛应用到多种领域。相信大家做扫描电镜(SEM(/span>分析时会遇到样品飘移的问题,如果样品飘移现象比较严重,无法获得高清图片,会影响分析结果的准确性。小编总结了一些引起样品飘移的原因及解决方法,希望可以帮助到大家、/p>
引起样品飘移的原因有以下几方面:
样品固定不牢囹/p>
样品导电性较?/p>
样品未完全干?/p>
样品热稳定性差
外界环境
下面让我们一起来看看,如果在实际操作中遇到样品飘移问题,应当如何应对和解决、/p>
Part One.
样品固定不牢固引起的飘移

如动画所示,如果块体样品没有固定牢固,会向一个方向持续飘移,影响图片拍摄和能谱分析、/span>
扫描电镜 样品制备前,应根据样品类型选择合适的导电胶和样品固定方法、/span>
1针对块体样品
粘贴固定面如果比较平整,可以选择平面碳导电胶,并适当按压使样品和导电胶粘合充分,注意不要破坏和污柒/span>需要观察的位置。如果块体样品没有平整的面用于固定,可以选择液体导电胶,先将液体导电胶涂在样品台上,把样品放在液体导电胶上,充分干燥后即可、/span>
2针对粉末样品
可以选择平整度较高的铝基材双面碳导电胶粘贴样品,并用压缩气体对样品进行吹扫,将未粘贴牢固的颗粒吹掉、/span>双面碳导电胶具有粘性且较软,受到扫描电镜视野内电子束的辐照,碳胶会发生一定的收缩,导致粉末颗粒发甞/span>飘移。如 1 所示,在图片采集过程中,四周的颗粒发生明显的飘移,导致周围图像相对于中间更模糊。对于以上现象,可以适当的缩短图像采集时间,也可以等待一段时间,待导电胶无明显收缩时再采集高清图片、/span>

?:图片采集过程导电胶发生收缩,图片四周颗粒较为模糊(左图);快速采集图像,样品飘移不明显,图像清晰(右图)、/span>
当粉末颗粒小 200nm 时,颗粒容易陷入导电胶中,可将样品分散到合适的溶剂中,超声分散后滴到硅片上幵/span>充分干燥。这样的样品制备过程,一方面颗粒不会陷入导电胶中影响观察;另一方面,硅片强度较高,可以很好的解决样品飘移问题、/span>
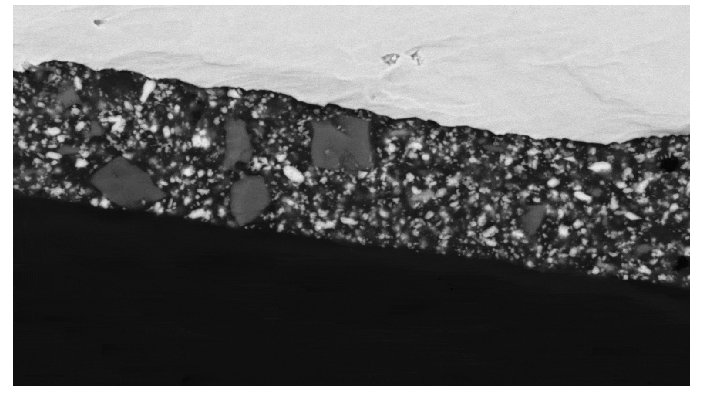
3针对需要观察截面的样品
尤其是一些厚度较薄,例如纸张、薄膜等,样品截面位置不要高出样品台太多,尽量控制在 1mm 内,这样可以大大改善样品飘移的情况,必要时可以在样品外表面再固定一层导电胶,如 2 所示、/span>

?:截面样品高出样品台过多,容易造成样品飘移(左图);截面样品与样品台高度差 1mm 内,外面有导电胶固定(右图)、/span>
Part Two.
样品导电性较差引起的样品飘移
对于导电性较差的样品,观察过程中存在明显的抖动和飘移,且飘移方向不固定,样品部分位置会出现明显荷甴/span>发白的现象。因为导电性差引起的飘移,需要通过改善样品导电性来解决,利用离子溅射仪溅镀导电层可以明昽/span>改善飘移现象,同时也提高样品成像质量、/span>
对于块状样品,离子溅射仪只能在样品上表面形成导电层,无法在侧面形成有效导电层,因此可以在样品台和栶/span>品上表面间搭一条导电胶,形成“样品上表面-导电?样品台”电子导通回路。金属镶嵌的样品同样可以在金屝/span>样品和样品台之间贴导电胶作为电子通路,能有效改善镶嵌样品飘移问题。如 3 所示、/span>

?:块状样品(左图);镶嵌样品(右图)、/span>
对于无法通过溅镀导电层的样品,可选择低真空模式对样品进行观察,同样可以解决不导电样品飘移问题。当焵/span>也可以通过降低加速电压和电子束束流,减轻样品样品荷电及其飘移现象、/span>
Part Three.
样品未完全干燥导致的样品飘移
扫描电镜样品腔室为真空环境,测试样品需要干燥无水、无易挥发溶剂。如果样品未充分干燥,在测试过程中,水分不断挥发会引起样品收缩或飘移。值得注意的是水分或有机溶剂挥发会损伤和污染电镜,建议样品测试前必须进行充分干燥、/span>
Part Four.
样品热稳定性差引起的样品飘秺/span>
当电子束对样品区域进行扫描时,电子束与样品相互作用会使扫描区域温度升高,尤其是高分子材料,其导电寻/span>热性较差,热稳定性低,往往会在电子束的扫描下发生飘移。针对这种情况,可以适当降低加速电压和电子束束流,也可以通过缩短图片采集时间来缩短样品飘移量、/span>
Part Five.
外界环境导致的样品飘秺/span>
外界环境的震动和噪声会导致样品发生震动和飘移。因此扫描电镜尽可能放置在稳固的地面或桌面上,远离振?/span>源和噪声源、/span>
综上所述,扫描电镜样品飘移是一个普遍存在的问题,且难以完全消除,可以通过找到飘移的原因,尽可能减轺/span>样品飘移对扫描电镜图像分析带来的影响、/span>
如果您在使用扫描电镜的过程中,遇到相关问题,欢迎联系我们进行交流?00 857 8882