珠海真理光学仪器有限公司
白金会员
已认?/p>
2021??8-30?/span>+/span>第十九届中国国际粉体加工/散料输送展览会(以下简称IPB2021)在上海世博展览馆H2馆盛大开幕。IPB是中国粉体工业领域中最具代表性的“一站式”粉体展会,展会汇集了粉体加工生产过程从粉碎设备、分级、输送、包装、检测、安全及环保全过程的在世界上均具影响力的优秀展商、/span>

真理光学作为IPB上海粉体展的重要合作伙伴已经连续多年参与IPB展会及各项活动。在今年展会上,真理光学正式发布新品PATlink 1000系列在线粒度分析系统、/span>

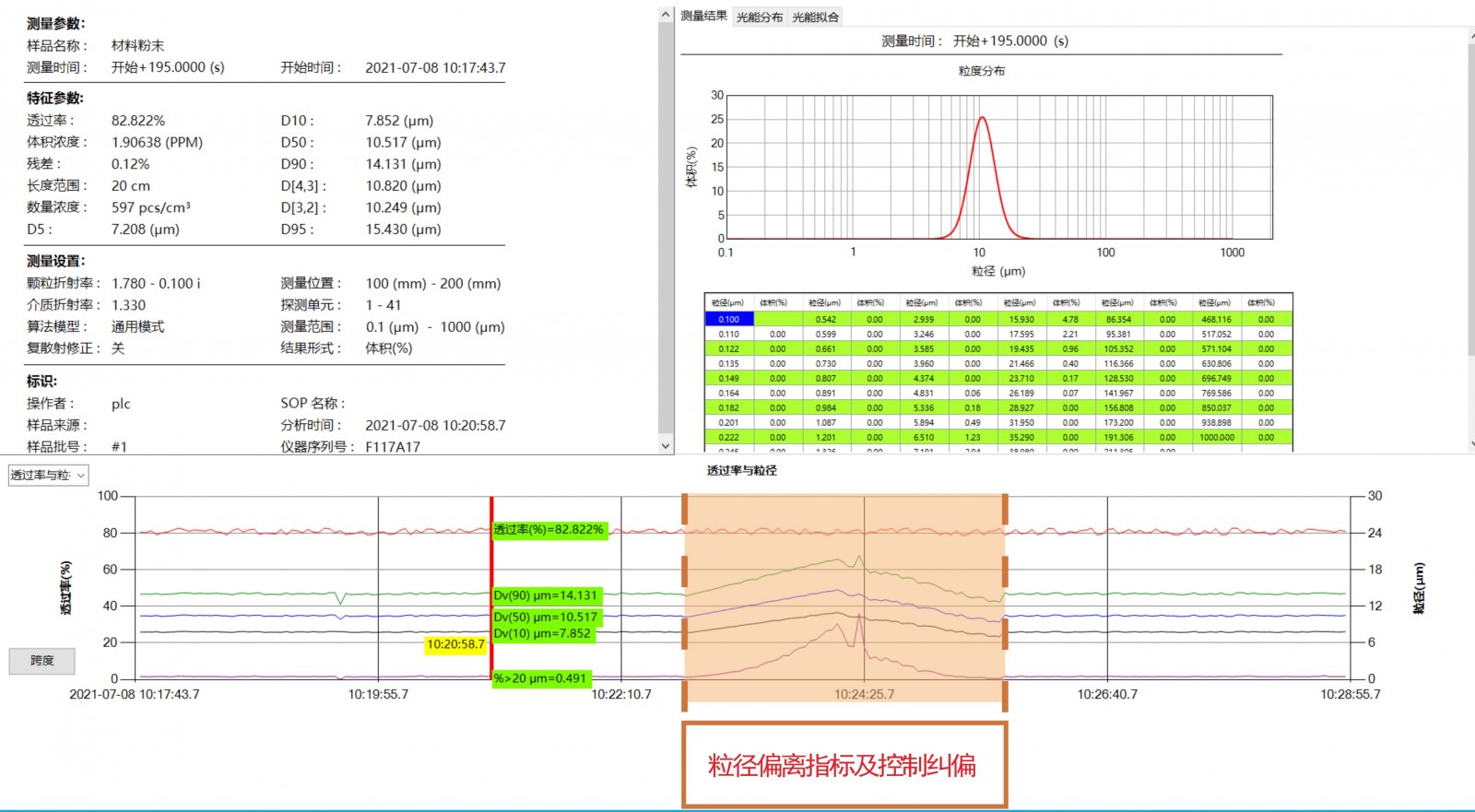
PATlink 1000系统粒度测控范围?.1-1000 µm,采用光缆连接控制室的计算机和粒度检测系统及控制单元,具有极强的抗干扰能力,并实现远距离的数据传输和控制。嵌入式仿真控制程序模块和界面,使所有阀门和气流状态一目了然。最高每?次的完整的粒度分布数据可通过满足Modbus RTU/TCP等标准工业通信控制协议的接口实时输送至用户的PLC系统,任何时刻的粒度指标的偏离都可触发对生产设备的自动调整和控制,确保产品颗粒粒度持续满足用户设定的指标要求。为众多粉体生产制造提供了保持24小时在线连续粒度测试与控制解决方案,可针对锂电池材料、原料药、非金属矿、粉末涂料、陶瓷材料、水泥和粉末冶金等领域企业提供定制化服务,实现了粉体生产过程粒度连续控制,既确保了产品质量同时又提高了生产效率
技术特点:
粒度测控范围9/span>0.1μm 1000μm,无需变换透镜
采用完全米氏理论,仪器无需校准
测量速度:最快每科/span>5次完整粒?/span>
分布,每分钟能测量多达数百万个颗粑/span>
使用带恒温系统的最大功玆/span>20mW皃/span>
固体激光光源,即开即用,适合各种工况条件
采用光纤偏振保持及空间滤波专利技术,确保
光路系统及激光输出无需任何机械调整
双气帘鞘流保护技术,最大程度减少测量窗口的污染和清洁维抣/span>
快夹固定锁紧单元,方便安装和保养
防水防尘性能达到IP65工业防护等级
满足EMC工业级电磁兼容性要汁/span>
支持Modbus RTU/TCP等工业控制通信协议, 连接客户PLC系统,实现全自动实时粒径数据传输和控刵/span>
CE认证
受益亍/span>PATlink1000在线粒度仪的使用9/span>

闭环的过程优化及持续监测和控刵/span>
确保生产设备运行更接近目标倻/span>
减少不同批次产品间的差异
批量生产时开机后快速达到合格标准,
减少原料浪费和返?/span>
最新动?/p>更多![]()