气流粉碎机PSD的分布控刵/div>
0
2024-05-10 来源:山东马西姆纳米科技有限公司
>>进入该公司展?/a>
目前气流粉碎机行业,特别是API的控制,大部分控制到d90小于多少微米就可以了,但是在吸入制剂确有严格的粒度分布要求,比如:d90<3.5, d100<7, d10<1.0等等,各种物料性质不同,粒度分布会有差别,
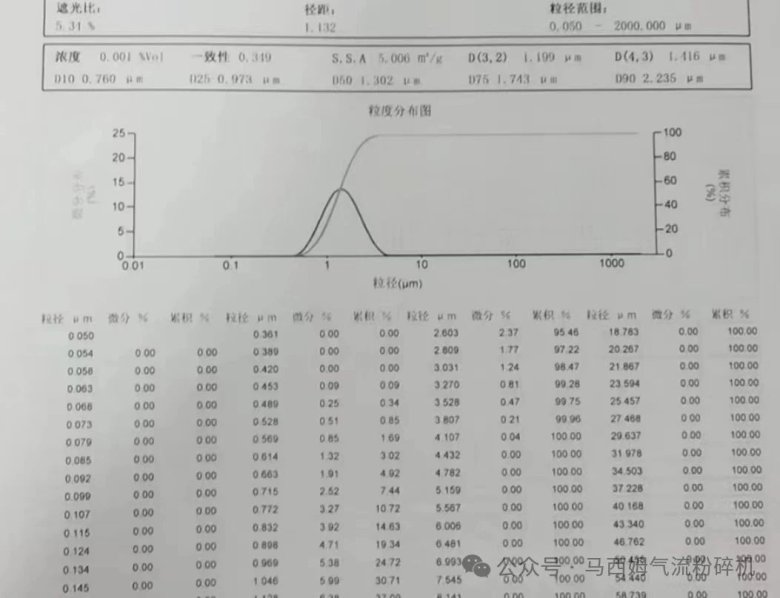
我们马西姆气流粉碎机,可以根据客户需要控制不同的粒度分布,比如可以控制到d100<4.1微米,d90<2.3 d50小于1.3,d10<0.7

还有的物料能控制到下面的细度

还有的物料太脆,比如依匹哌唑,物料很好粉碎,稍微粉碎就能?微米,但是客户要求到30-35微米,我们可以把粉碎机设计成能达到客户要求的细度,粉碎细粉比较难,粉碎粗粉更难,所以每个行业都需要深耕,脚踏实地的研究,才能给出合适的良好的方案和配套的机器设置功能、/p>
总归一句话,马西姆的成长是依靠技术和丰富的经验以及灵活的配置技术来达到和满足客户的要求?/p>
没有最好,只有更好,品质的追求永无止境,您的困难就是我们挑战的动力,只要你相信我们,目前的粉碎难题,我们都可以携手解决,为您节省时间和投资,更快实现你们的研发和生产目的、/p>
- END -
639
0
热门资料下载
- EVA型热熔胶书刊装订强度检测与质量控制研究
- 自动热压机的发展趋势是怎样的?
- 用户论文 ▏化学吸 ▏铱-铼共沉积乙醇处理后SiO2载体催化剂应用在甘油氢解反应
- 为什么近期单壁碳纳米角(CNH)的研究进展值得关注>/a>
- 为什么介孔SiO2在药物递送领域的应用越来越多>/a>
- FRITSCH飞驰球磨——不锈钢介导的水中球磨条件下定量H2生成实验研究
- 为什么MoS2在催化领域的研究进展值得关注?
- 飞纳台式扫描电镜助力纳米纤维在心血管组织再生中的研穵/a>
- 磷酸化修饰鬼臼果多糖的制备及生物活?/a>
- DSR论文解读:Advanced Science News 报道中科院长春应化所新型非铂催化材料研究成果
- High-throughput preparation, scale up and solidification of andrographolide nanosuspension using hummer acoustic resonance technology(纳米混悬剂制备的前瞻性技 - 蜂鸟声共振)
- 扫描电镜优秀论文赏析|飞纳台式扫描电镜电极材料上的应?/a>
- 扫描电镜论文赏析-干旱影响杨树叶片及次生木质部发育的分子机刵/a>
- 压实度与密实度的区别
- 振实密度和压实密度的关系
- 勃姆石专用气流粉碎机分级机打散机

