证:工商信息已核宝br /> 访问量:843353
定制加工仵/a>
一、D343W不锈钢蝶阀产品概述9/strong>
我厂引进能够国外先进技术的基础上,采用精密的J形弹性密封圈和三偏心多层次金属硬密封结构,被广泛用于介质温度?25℃的治金 、电力、石油化工、以及给排水和市政建设等工业管道上,作调节流量和载断流体使用。该阀采用三偏心结构,阀座与碟板密封面均采用不同硬度和不锈钢制作,具有良好的耐腐蚀性,使用寿命长,本阀军邮双向密封功能,产品符合国家GB/T13927-92阀门压力试验标准、br/>二、D343W不锈钢蝶阀特点9/strong>
1、本阀采用三偏心密封结构,阀座与蝶板几乎无磨损,具有越观越紧的密封功能、/p>
2、密封圈选用不锈钢制作,具有金属硬密封和弹性密封的双重优点,无论在低温和高温的情况下,均具有优良的密封性能,具有耐腐蚀,使用寿命长等特点、/p>
3、碟板密封面采用堆焊钴基硬质合金,密封面耐磨损,使用寿命长.
4、大规格蝶板采用绗架结构,强度高,过流面积大,流阻小、/p>
5、本阀具有双向密封功能,安装时不受介质流向的限制,也不受空间位置的影响,可在任何方向安装、/p>
6、驱动装置可以多工位(旋?0°?80°)安装,便于用户使用、/p>
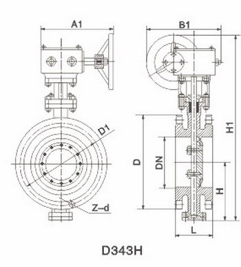
三、D343W不锈钢蝶阀连接尺寸9/strong>

公称通经(DN) |
主要尺寸 |
法兰尺寸和螺栓规栻/span> |
||||||||||
1.0MPa |
1.6MPa |
2.5MPa |
||||||||||
L |
H1 |
H |
D |
D1 |
n-Фd |
D |
D1 |
n-Фd |
D |
D1 |
n-Фd |
|
50 |
108 |
350 |
112 |
165 |
125 |
4-18 |
165 |
125 |
4-18 |
165 |
125 |
4-18 |
65 |
112 |
370 |
115 |
185 |
145 |
4-18 |
185 |
145 |
4-18 |
185 |
145 |
8-18 |
80 |
114 |
380 |
120 |
200 |
160 |
4-18 |
200 |
160 |
8-18 |
200 |
160 |
8-18 |
100 |
127 |
420 |
138 |
220 |
180 |
8-18 |
220 |
180 |
8-18 |
235 |
190 |
8-22 |
125 |
140 |
460 |
164 |
250 |
210 |
8-18 |
250 |
210 |
8-22 |
270 |
220 |
8-26 |
150 |
140 |
555 |
175 |
285 |
240 |
8-22 |
285 |
240 |
8-22 |
300 |
250 |
8-26 |
200 |
152 |
760 |
200 |
340 |
295 |
8-22 |
340 |
295 |
12-22 |
360 |
310 |
12-26 |
250 |
165 |
830 |
243 |
395 |
350 |
12-22 |
405 |
355 |
12-26 |
425 |
370 |
12-30 |
300 |
178 |
895 |
250 |
445 |
400 |
12-22 |
460 |
410 |
12-26 |
485 |
430 |
16-30 |
350 |
190 |
950 |
280 |
505 |
460 |
16-22 |
520 |
470 |
16-26 |
555 |
490 |
16-33 |
400 |
216 |
1190 |
305 |
565 |
515 |
16-26 |
580 |
525 |
16-30 |
620 |
550 |
16-36 |
450 |
222 |
1255 |
350 |
615 |
565 |
20-26 |
640 |
585 |
20-30 |
670 |
600 |
20-36 |
500 |
229 |
1305 |
380 |
670 |
620 |
20-26 |
715 |
650 |
20-33 |
730 |
660 |
20-36 |
600 |
267 |
1340 |
445 |
780 |
725 |
20-30 |
840 |
770 |
20-36 |
845 |
770 |
20-39 |
700 |
292 |
1520 |
480 |
895 |
840 |
24-30 |
910 |
840 |
24-36 |
960 |
875 |
24-42 |
800 |
318 |
1710 |
530 |
1015 |
950 |
24-33 |
1025 |
950 |
24-39 |
1085 |
990 |
24-48 |
900 |
330 |
1810 |
580 |
1115 |
1050 |
28-33 |
1125 |
1050 |
28-39 |
1185 |
1090 |
28-48 |
1000 |
410 |
1960 |
650 |
1230 |
1160 |
28-36 |
1255 |
1170 |
28-42 |
1320 |
1210 |
28-56 |
1200 |
470 |
2250 |
760 |
1455 |
1380 |
32-39 |
1485 |
1390 |
32-48 |
1530 |
1420 |
32-56 |
1400 |
530 |
2435 |
850 |
1675 |
1590 |
36-42 |
1685 |
1590 |
36-48 |
1755 |
1640 |
36-62 |
1600 |
600 |
2780 |
1030 |
1915 |
1820 |
40-48 |
1930 |
1820 |
40-56 |
1975 |
1860 |
40-62 |
1800 |
670 |
3020 |
1230 |
2115 |
2020 |
44-48 |
2130 |
2020 |
44-56 |
2195 |
2070 |
44-70 |
2000 |
760 |
3270 |
1350 |
2325 |
2230 |
48-48 |
2345 |
2230 |
|
|||