手机片img class="sj_xl" src="//www.znpla.com/buchi/v2images/xia.png"/>

扫一扫,手机访问

关于我们 加入收藏
400-810-0069 ?/span>3366

中国粉体网认证电话,请放心拨扒/p>

步琦实验室设备贸易(上海)有限公号/p>

4 平/span>白金会员

已认?/p>

拨打电话
获取底价
提交后,商家将派代表为您专人服务
立即发?/a>
当前位置9/div> 步琦 > 公司动?/a>>

【瑞士步琦】【配件选购指南】瑞士步琦旋转蒸发仪 R-300

【瑞士步琦】【配件选购指南】瑞士步琦旋转蒸发仪 R-300
2.jpg




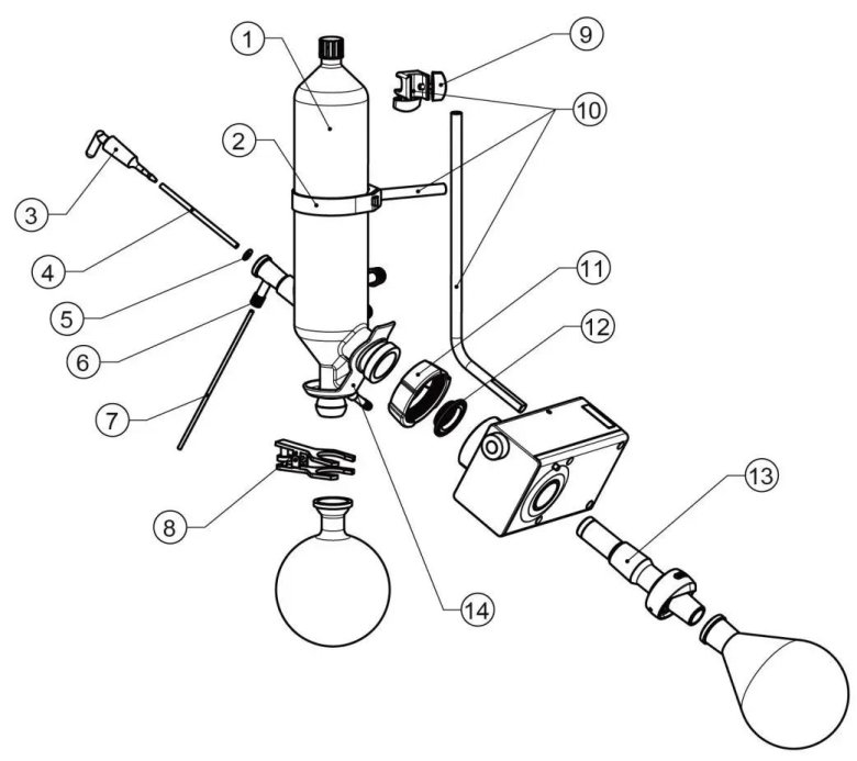
R-300 配件选购指南


BUCHI 旋转蒸发 R-300 满足旋转蒸发在便捷性和多功能性方面的最高要求。其模块化设计允许将其扩展成一个全集成系统,在该系统中一个中央界面调节每个组件。R-300 在众多领域都能根据配置展开不同的应用,让我们看看皮实耐用的它有哪些配件可以选择吧!


3.jpg



R-300 常用配件


编号

货号

品名

1

11059368*

V型冷凝器

2

040627*

进样?/p>

3

11063244*

Tygon Ø 6.4/12.7mm

4

11062387*

法兰大螺母盖

5

000426*

2000ml 接受瓵/p>

6

11059770*

塑料卡扣

7

000431*

000432*

000433*

000434*

000435*

000436*

000437*

046573*

50ml 梨形蒸发瓵/p>

100ml 梨形蒸发瓵/p>

250ml 梨形蒸发瓵/p>

500ml 梨形蒸发瓵/p>

1000ml 梨形蒸发瓵/p>

2000ml 梨形蒸发瓵/p>

3000ml 梨形蒸发瓵/p>

5000ml 蒸发瓵/p>


以上配件均可通过线下渠道购买+/p>

* 号为瑞士步琦淘宝官方店铺有售+/p>

复制并搜索货号即可找到相应配件哦?/p>


4.jpg



冷凝?/strong>


编号

货号

品名

1

11059368*

11059369

V型冷凝器

V型冷凝器 P+G

2

032013

橡胶?/p>

3

040627*

进样?/p>

4

000646

PTFE ? Ø4.7/5.5 mm

5

040625

PTFE 排水? Ø5.1/14 mm

6

023875

023900

螺母盕/p>

O型圈

7

028096

PTFE ? Ø3/4 mm

8

003275*

冷阱连接接头夹子 S35

9

027344

十字奖/p>

10

048180

冷凝器支枵/p>

11

11062387*

法兰大螺母盖

12

11069167*

密封垫圈 VS-26

13

11062186*

带卡扣的玻璃蒸汽导管 29/32(短(/p>

14

11061985

冷凝水接水装?/p>


以上配件均可通过线下渠道购买+/p>

* 号为瑞士步琦淘宝官方店铺有售+/p>

复制并搜索货号即可找到相应配件哦?/p>


购买渠道




线上渠道


5.png

扫一?/span>

淘宝官方店铺{/span>瑞士步琦


线下渠道


拨打联系电话9br style="box-sizing: border-box;"/>

400 - 880 - 8720

选择

‛/strong>配件购买“/strong>



瑞士步琦期待您的选购?/span>


1.png

长按上方二维码联系我?/strong>


或拨打联系电话:

400 - 880 - 8720


微信公众叶/strong>

步琦智慧实验宣/span>

淘宝官方旗舰?nbsp;

瑞士步琦


虚拟号将秒后失效

使用微信扫码拨号

为了保证隐私安全,平台已启用虚拟电话,请放心拨打(暂不支持短信)