欢迎访问石墨烯行业门户!
免费注册 个人登录 企业登录
粉享這/a>| 粉享汆/a>| 粉享买卖 |

微信

关注微信公众叶/span>
| 广告服务 |

手机片/p>

扫一扫在手机访问
石墨?/a>>
资讯
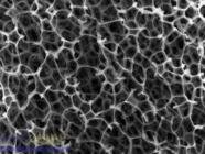
三维石墨烯铂催化剂用于燃料电池研究获进展

近期,中国科学院合肥物质科学研究院等离子体物理研究所应用等离子体研究室王奇课题组在甲醇氧化反应方面取得进展,相关内容发表在《应用表面科学》(Applied Surface Science)上、/p>2018?5?0?nbsp;更新

新能源汽车电池短板,石墨烯新材料来补

锂电池存在难以突破的技术瓶颈,电池续航里程短、充电时间慢、以及能量密度偏低,用户经常会碰到电量不足时,不得不尴尬推车的窘境。正因为如此,创造了石墨烯新材料和新能源汽车行业的相会,将开启下一个风口、/p>2018?5?3?nbsp;更新

石墨烯不仅用于电池还将用于混凝土设计

现在,科学家已经用它来创造一种比过去更坚固、更防水和更环保的新型混凝土、/p>2018?4?6?nbsp;更新

麻省理工研发出石墨烯连续生产工艺

麻省理工学院的工程师开发出了一种生产高质量长条状石墨烯的制造工艺、/p>2018?4?6?nbsp;更新

细菌的致命武?石墨烯或可防移植手术感染

瑞典查默斯理工学院研究人员发现,石墨烯可能成为细菌的致命武器,杀死细菌,防止在植入手术中发生细菌感染、/p>2018?4?9?nbsp;更新