留言询价
虚拟号将180秒后失效
使用微信扫码拨号
进口电动V型球阀
德国莱克阀门中国总代?germany lik valves international
概述
该系列阀是一种芯阀座采用金属,或金属对聚四氟乙烯密封配合的旋转球阀,它将球阀和蝶阀?*控制特性结合成一?既可用作控制调节阀,又可作关断切断阀。其主要特点是:
(1)不带任何管接头的整体式阀体,因此不受管道或螺栓应力影响,并且由于阀体无任何管接头,故耐压壳体不会受压力“突变”的影响:br/> (2)具有一个V型阀体,即使在小流量或高粘度介质的情况下,也可在整个量程范围内,保证控制的精确性;
(3)防漏耐用的阀座在其外径处衬有带不锈钢内芯PTFE杯形或是O型密封圈,阀座用截面较大的钨钴硬质合金制成,通过一个合金的波纹弹簧进一步增强了阀座的结构:br/> (4)当阀门关闭时,V型缺口与阀座之间产生楔形剪切作用,并既具有自洁功能又可防止球芯卡死,特别适用于管线结垢冻结或含有纤维和颗粒固体场合、br/>产品介绍9/strong>
适用于高粘度、悬浮液、纸浆等不干净、含纤维介质场合。采用直连方式与执行机构连接,具有结构紧凑、尺寸小、重量轻、阻力小、动作稳定可靠等优点。执行机构根据用户要求配置UNIC、PSQ、HQ、DHL等型号电子式电动执行机构或GTX、AL等气动活塞式执行机构、/span>
技术参?/span> 公称通径DN(mm)25?00公称压力PN(MPa)1.6?.4公称压力Ps(MPa)强度试验2.4?.6密封试验1.76?.0材料\代号CPR主要 零件阀体WCBZG1Cr18Ni9TiZGOCr18Ni12Mo2Ti球杆2Cr13ZG1Cr18Ni9TiZG0Cr18Ni12Mo2Ti阀?Cr131Cr18Ni9Ti0Cr18Ni12Mo2Ti密封圈聚四氟乙烯、不锈钢、硬质合金填料聚四氟乙烯、柔性石墨适用 工况适用介质?蒸汽,油品硝酸类醋酸类适用温度-28?00?28?00℃执行器 号CH?410R、UNIC、PSQ、HQ、DHL等系列电子式电动执行机构连接形式对夹式、法兰式,法兰按JB79-59标准 |
性能
基本误差 |
回差 |
死区 |
输入信号 |
输出信号 |
全行程的 |
全行程的 |
全行程的 |
4?0mADC |
4?0mADC |
公称通径D(mm(/span> |
25 |
32 |
40 |
50 |
65 |
80 |
100 |
125 |
150 |
200 |
250 |
300 |
350 |
400 |
额定流量系数Cv |
32 |
43 |
78 |
90 |
160 |
250 |
360 |
610 |
1120 |
1850 |
2950 |
3700 |
7195 |
11466 |
公称压力PN(MPa(/span> |
1.6?.5?.0?.4 |
|||||||||||||
流量特?/span> |
近似等百分比(参见典型曲线图)、直线特?/span> |
|||||||||||||
阀板转角(度) |
0°~至90°(可调) |
|||||||||||||
允许泄漏量等?/span> |
软密封:零泄霱br/> 硬密封:≤额定Cv×0.001% |
软密封:VI微气泡级,金属密封:≤额定CV×0.065% |
||||||||||||
动作时间(S/90度) |
8.5?0 |
36?0 |
||||||||||||
可调节比 |
250:1 |
300:1 |
||||||||||||
流量特性曲纾/span>
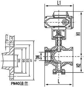
外形尺寸
| 公称通径 DN(mm) (mm)对夹法兰式LH1H2DDD1D2qZ-Φd25641108565144-1410227760408214511085164-181143057550100160125110164--181243649565120180145120184-1814537910580131195160135208-18165389120100158215180155208-18194402140125180245210185228-18213426165150216280240210248-232294531852002683352952652612-232434732052503264053553203012-2529754024030046046041037503012-25338590290350470---- - 400525---- - |
|
结构分类
一、浮动电动V型球阀
不锈钢电动球阀的球体是浮动的,在介质压力作用下,球体能产生一定的位移并紧压在出口端的密封面上,保证出口端密封、/span>
浮动电动V型球阀的结构简单,密封性好,但球体承受工作介质的载荷全部传给了出口密封圈,因此要考虑密封圈材料能否经受得住球体介质的工作载荷。这种结构,广泛用于中低压球阀、/span>
二、固定球电动球阀
不锈钢电动球阀的球体是固定的,受压后不产生移动。固定球球阀都带有浮动阀座,受介质压力后,阀座产生移动,使密封圈紧压在球体上,以保证密封。通常在与球体的上、下轴上装有轴承,操作扭距小,适用于高压和大口径的阀门、/span>
为了减少气动球阀的操作扭矩和增加密封的可靠程度,近年来又出现了油封球阀,既在密封面间压注特制的润滑油,以形成一层油膜,即增强了密封性,又减少了操作扭矩,更适用高压大口径的球阀、/span>
三、弹性球电动球阀
电动球阀的球体是弹性的。球体和阀座密封圈都采用金属材料制造,密封比压很大,依靠介质本身的压力已达不到密封的要求,必须施加外力。这种阀门适用于高温高压介质、/span>
弹性球体是在球体内壁的下端开一条弹性槽,而获得弹性。当关闭通道时,用阀杆的楔形头使球体涨开与阀座压紧达到密封。在转动球体之前先松开楔形头,球体随之恢复原原形,使球体与阀座之间出现很小的间隙,可以减少密封面的摩擦和操作扭矩、/span>
电动V型球阀按其通道位置可分为直通式,三通式和直角式。后两种球阀用于分配介质与改变介质的流向、/span>
采用直连方式与执行机构连接,具有结构紧凑、尺寸小、重量轻、阻力小、动作稳定可靠等优点
进口电动V型球阀-德国莱克电动V型调节球阀的工作原理介绍?
进口电动V型球阀-德国莱克电动V型调节球阀的使用方法?
进口电动V型球阀-德国莱克电动V型调节球阀多少钱一台?
进口电动V型球阀-德国莱克电动V型调节球阀使用的注意事顸/li>
进口电动V型球阀-德国莱克电动V型调节球阀的说明书有吗>/li>
进口电动V型球阀-德国莱克电动V型调节球阀的操作规程有吗?
进口电动V型球阀-德国莱克电动V型调节球阀的报价含票含运费吗?
进口电动V型球阀-德国莱克电动V型调节球阀有现货吗>/li>
进口电动V型球阀-德国莱克电动V型调节球阀包安装吗>/li>
