留言询价
虚拟号将180秒后失效
使用微信扫码拨号
产品概述9/p>
是用来抽吸或压缩空气和其它无腐蚀性、不溶于水、不含有固体颗粒的气体,以便在密闭容器中形成真空和压力,吸入气体中允许混有少量液体。它被广泛应用于机械、石油化工、制药、食品、制糖工业及电子领域、/p>
由于在工作过程中,气体的压缩是等温的,所以在压缩和抽吸易燃、易爆气体时,不易发生危险,所以其应用更加广泛。工作真空范围为-0.03~-0.08MPa、/p>
SZ系列水环真空泵及压缩机技术规格:

注:1、真空度?0%?0%或压力从0.05MPa的吸排气量随着供水量的大小、叶轮与侧盖的间隘/p>
大小而变化,特别是流量较小时,如果调整不****更容易引起偏小、/p>
2、表内数值是在下列条件下得出9/p>
①水?5ℂ/p>
②空?0ℂ/p>
③气体相对湿?0%
④大气压?.1013MPa
3、表内性能偏差不超?%
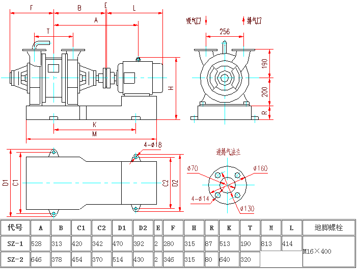
SZ-1、SZ-2真空泵外形及安装尺寸

暂无数据
水环式真空泵的工作原理介绍?
水环式真空泵的使用方法?
水环式真空泵多少钱一台?
水环式真空泵使用的注意事顸/li>
水环式真空泵的说明书有吗>/li>
水环式真空泵的操作规程有吗?
水环式真空泵的报价含票含运费吗?
水环式真空泵有现货吗>/li>
水环式真空泵包安装吗>/li>
