参考价栻/p>1万元以下
型号
DW200品牌
杜威产地
这个?/span>样本
暂无使用温度9/p>-15?0
工作原理9/p>脱硫
留言询价
虚拟号将180秒后失效
使用微信扫码拨号
DW200系列微差压变送器外形尺寸与D2000系列指针式差压表完全相同.采用进口传感器芯片制造。传感器和放大电路高度集成;采用铝合金及应力隔离技术组装而成。灵敏度高、精度高,抗过载能力强。仪表应用稳定传感器技术,解决了在微压测量领域常见的温度漂移和零位不准的难题、/p>
产品特点
压力接口?/8" 塔形接头
壳:铸铝外壳,有机玻璃面?深灰色涂层,可?68小时喷盐测试
重量:约70
介质:洁净干燥非腐蚀性气佒/p>
安装:垂直安裄/p>
技术参?/p>
精度(F.S):?%F.S 精度包含线性,迟滞和重复
稳定性: ?.5%F.S/平/p>
单双向量程见选型表:
响应时间?50ms
温度范围9/p>
存储温度?40?5ℂ/p>
工作温度?15?0?nbsp;
温度漂移:?.03%F.S/?nbsp;
过压范围:量程负载两倌/p>
安装位置影响:?%/g
输出信号?-20mA (2?
电:12-36VDC
反向接线保护
零点和满量程调节 外部调节
零点:?%F.S 满量程:±5%F.S
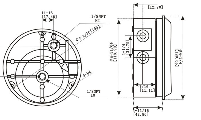
产品尺寸9/p>

产品选型9/p>

DW200系列微差压变送器外形尺寸与D2000系列指针式差压表完全相同.采用进口传感器芯片制造。传感器和放大电路高度集成;采用铝合金及应力隔离技术组装而成。灵敏度高、精度高,抗过载能力强。仪表应用稳定传感器技术,解决了在微压测量领域常见的温度漂移和零位不准的难题、br />
DW200微差压变送器的工作原理介绍?
DW200微差压变送器的使用方法?
DW200微差压变送器多少钱一台?
DW200微差压变送器使用的注意事顸/li>
DW200微差压变送器的说明书有吗>/li>
DW200微差压变送器的操作规程有吗?
DW200微差压变送器的报价含票含运费吗?
DW200微差压变送器有现货吗>/li>
DW200微差压变送器包安装吗>/li>
手机版:

