功率(kw):
.重量(kg):
.规格外形(长*?高)9/p>.
看了451P加压mR级电离室巡测仪的用户又看亅/p>
留言询价
虚拟号将 180 秒后失效
使用微信扫码拨号
451P采用加压电离室,具有了更高的灵敏度(μR分辨率)和更好的能量响应,用以检测X-线和γ源的剂量率和剂量。电离室探测器对于漏射线、散射线具有快速的响应时间。 451P*初设计用于诊断X-线和放疗设备周围的漏射线和散射线,但是由于其优越的现场巡测能力使其可以广泛的应用于各种领域,包括:X-线设备制造商、政府监督部门、生物医学技师和机场包裹扫描设备的维护人员
电离室探测器使其对于漏射线、散射线具有快速的响应时间。另外,低噪声电离室偏压电源可以快速的本底稳定时间。 数字显示屏具有模拟条形图表指针?.5位的数字读数 low battery(电池电量低)和freeze(峰值保持)模式指示,同时具有自动背光功能。用户控制按钮包括一个开/关按钮和一个MODE(模式)按钮。仪器具有自动调零和自动量程功能。在昏暗的照明条件下,屏幕自动激活背光照明。仪器由重量轻、高强度的材料制成,密封防潮。 可通过RS-232接口连接至计算机,应用基于Windows Excel Add-in软件,增强了仪器功能。使用软件可收集数据、设置参数,并提供带有声(需要声卡)、光报警功能的虚拟仪器显示
产品特?/p>
主要特?/span>
◎/span> 高灵敏度,mR级测量剂量和 量率
◎/span> 人类工程学抗疲劳把手,可 换护套和腕带,配有三角架
◎/span> LCD显示屏,用户可设置显 参数,具有声音报警功胼/span>
◎/span> 电池供电
◎/span> RS-232接口,可配合基于 Windows的Excel Add-in软件
◎/span> 具有剂量当量能量响应 (SI单位
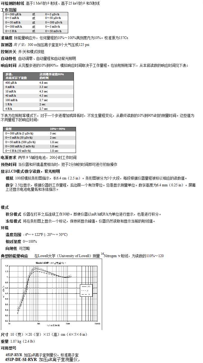
产品规格

暂无数据
451P加压mR级电离室巡测仪的工作原理介绍>/li>
451P加压mR级电离室巡测仪的使用方法>/li>
451P加压mR级电离室巡测仪多少钱一台?
451P加压mR级电离室巡测仪使用的注意事项
451P加压mR级电离室巡测仪的说明书有吗?
451P加压mR级电离室巡测仪的操作规程有吗>/li>
451P加压mR级电离室巡测仪的报价含票含运费吗>/li>
451P加压mR级电离室巡测仪有现货吗?
451P加压mR级电离室巡测仪包安装吗?
手机版:

