看了MRS210高精度电控旋转台的用户又看了
留言询价
电话询价
虚拟号将180秒后失效
使用微信扫码拨号
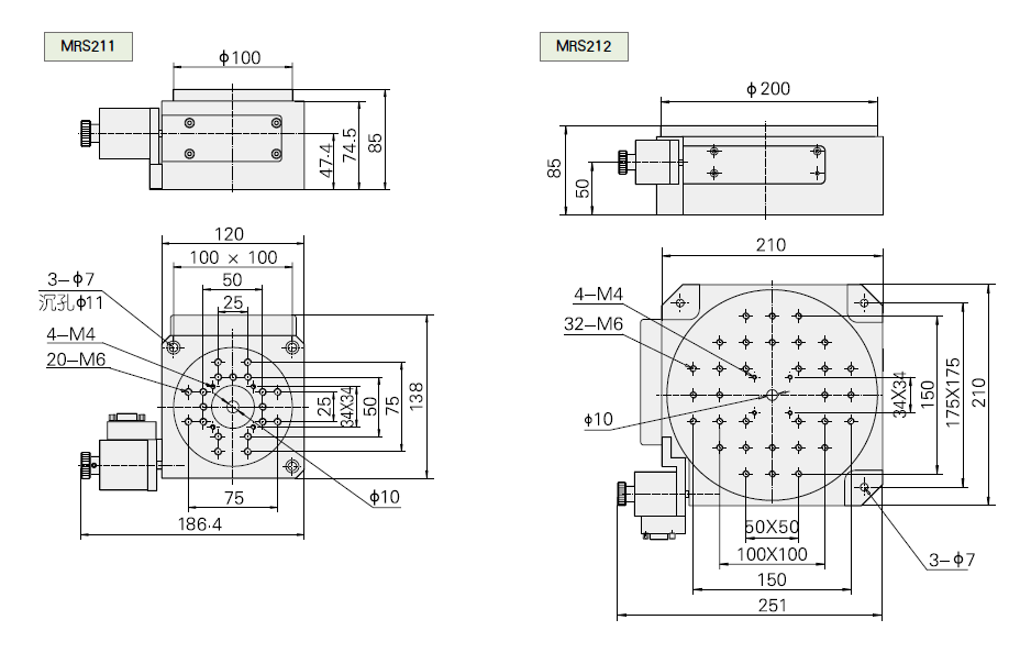
1、采用北光世纪超精密轴系,具有优良的旋转精度:/p>
2、内置精密码盘,配合专用控制器,圆周自动位置补偿,具有高定位性能:/p>
3、使用精研蜗轮蜗杆传动,运动平稳、可靠;
4、标配步进电机,驱动稳定、可靠;
5、台面标准孔位,便于与其它产品组合、/p>
型号 |
MRS211 |
MRS212 |
台面直径'/span>mm(/span> |
100 |
200 |
传动毓/span> |
3009/span>1 |
3609/span>1 |
*小分辨率 |
0.33′/span> |
0.28′/span> |
**定位精度 |
10′/span> |
10′/span> |
重复定位精度 |
- |
- |
*小示倻/span> |
1′/span> |
1′/span> |
极限速度 |
10°/s |
8°/s |
步进电机'/span>1.8°(/span> |
42步进电机'/span>1.8°(/span> |
|
极限静转?/span>(Ncm) |
40 |
40 |
极限负载'/span>kg(/span> |
4 |
6 |
自重'/span>kg(/span> |
3 |
6 |

暂无数据
WSD-3C白度计使用说明书
WSC-80C色差计使用说明书
WSD-3C全自动白度计
WSC-100全自动色差计
WSC-80C全自动色差计
MRS210高精度电控旋转台的工作原理介绍?
MRS210高精度电控旋转台的使用方法?
MRS210高精度电控旋转台多少钱一台?
MRS210高精度电控旋转台使用的注意事顸/li>
MRS210高精度电控旋转台的说明书有吗>/li>
MRS210高精度电控旋转台的操作规程有吗?
MRS210高精度电控旋转台的报价含票含运费吗?
MRS210高精度电控旋转台有现货吗>/li>
MRS210高精度电控旋转台包安装吗>/li>
手机版:

