 
       
         
          
            
           参考价栻/p>50-60万元
型号
JYHY-QHJ品牌
豪亚产地
江苏江阴样本
暂无能耗:
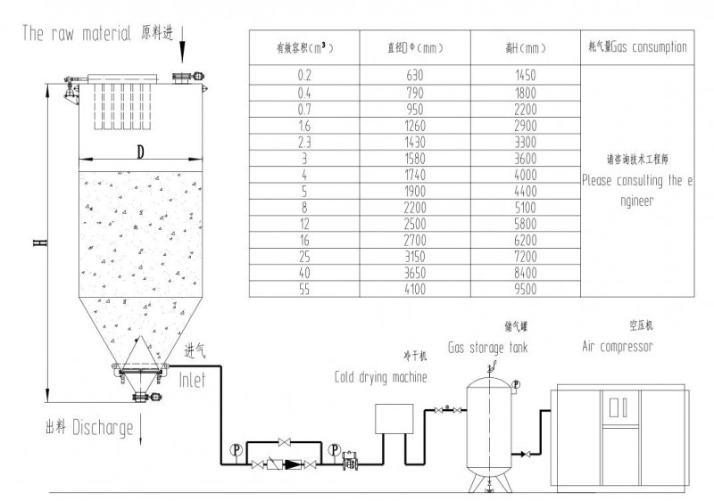
55KW处理量:
30T/欠/span>物料类型9/p>粉状
工作原理9/p>立式
看了氧化铝粉末气流式混合机的用户又看亅/p>
 留言询价
留言询价
                 
 虚拟号将 180 秒后失效
使用微信扫码拨号
1) 设备可以制作的容量大,且混合所需的时间短,大大提高了生产效率、/span>
2) 进料于出料更加便捷,自由度高,可与上游配套设备配合确定进料口位置,方便组成生产线、/span>
3) 仓体式彻底无死角设计,放料残留很少,适合微粉的食品、医药等行业:/span>
4) 混合效果好,本设备采用压缩空气(需处理干净)为动力从设备底部喷气冲击仓内物料,物料急速沸腾式充分对流混合,几分钟即可混合均匀,混合不会有发热状况:/span>
5) 本设备无大型转动机械结构,无需润滑油、脂等,原料不会被污染、/span>
6) 本设备免维修时间长,例如南通海迪设备十年不用大型维修,不需停产,只需简单更换电磁阀、喷头等易损件(方便)、/span>
7) 由PLC系统自动运行设备,进出料、混合全自动控制,不需要人干预,方便组建自动混合生产线、/span>
8) 环保设备,密闭无扬尘环保运行,全阀门进出,彻底杜绝靠垫塞料来密封的洞孔、/span>
9) 高效节能,单位能耗为机械均化混合?0%

快混、大容量、无尘环保、均匀度高、节能、无搅拌机构、自动化程度
 氧化铝粉末气流式混合机的工作原理介绍>/li>
氧化铝粉末气流式混合机的工作原理介绍>/li> 氧化铝粉末气流式混合机的使用方法>/li>
氧化铝粉末气流式混合机的使用方法>/li> 氧化铝粉末气流式混合机多少钱一台?
氧化铝粉末气流式混合机多少钱一台? 氧化铝粉末气流式混合机使用的注意事项
氧化铝粉末气流式混合机使用的注意事项 氧化铝粉末气流式混合机的说明书有吗?
氧化铝粉末气流式混合机的说明书有吗? 氧化铝粉末气流式混合机的操作规程有吗>/li>
氧化铝粉末气流式混合机的操作规程有吗>/li> 氧化铝粉末气流式混合机的报价含票含运费吗>/li>
氧化铝粉末气流式混合机的报价含票含运费吗>/li> 氧化铝粉末气流式混合机有现货吗?
氧化铝粉末气流式混合机有现货吗? 氧化铝粉末气流式混合机包安装吗?
氧化铝粉末气流式混合机包安装吗? 
                    
                    
                    
                    
                    
                    
 
        
        移动?/p>
移动?/p> 
        