认证信息
         
         
          高级会员 
          3平/div>  称:
          卡博特高性能材料(深圳)有限公司
          
证:工商信息已核宝br /> 访问量:12131
         
         证:工商信息已核宝br /> 访问量:12131
           产品简今/div>
           
            
           
          
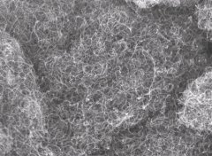
          碳纳米管的强度是钢的100倍,而密度只有钢?/6,可以承受?00万个大气压的压力而不破裂,这一结果比类似的纤维高两个数量级。碳纳米管的韧性很? 经过多次反复大幅度的弯曲后不会发生明显的断裂, 碳纤维在弯曲?%时就会断? 而碳纳米管要到约18%才会断裂。碳纳米管的纳米尺度、高强度和高韧性特?使其可以广泛应用于微米甚至纳米机械。DAI成功地制备出用于原子显微?AFM)的碳纳米管针? 这种针尖可以避免损害被观察的样件。碳纳米管增强复合材料具有较高强?其机械冲击性能、热冲击性能都得到了改善,断裂韧性也有大幅度提高。例?碳纳米管强化陶瓷材料,断裂韧度是常规氧化铝?倍。在碳纳米管/高子复合材料方面,已经制备了PC/碳纳米管复合材料,改善了碳纳米管与PC的相容?使其拉伸强度及冲击强度都得到了提高、/span>
由于碳纳米管的结构与石墨的片层结构相同,所以具有很好的电学性能。理论预测其导电性能取决于其管径和管壁的螺旋角。当CNT的管径大?nm时,导电性能下降;当管径小于6nm时,CNT可以被看成具有良好导电性能的一维量子导线 作为锂离子电池导电剂,碳纳米管的导电性能优于传统的导电炭黑,较少的添加量就能达到较多的炭黑所表现出来的效果、/span>
碳纳米管具有非常大的长径比,因而大量热能是沿着长度方向传递的,通过合适的取向,这种管子可以合成高导热性能材料。虽然在管轴平行方向的热交换性能很高,但在其垂直方向的热交换性能较低。纳米管的横向尺寸比多数在室温至150℃电介质的晶格振动波长大一个量级,这使得弥散的纳米管在散布声子界面的形成中是有效的,同时降低了导热性能。适当排列碳纳米管可得到非常高的各向异性热传导材料、/span>
碳纳米管的独特结构使其具有不同于常规材料的光学性能。由于是纳米尺寸,可吸收一定波长的光,因此可应用于隐形材料等领域、/span>
- 推荐产品
- 供应产品
- 产品分类
 
         
            
           