认证信息
高级会员
15平/div> 称:
南京托普粉磨工程技术有限公?
证:工商信息已核宝br /> 访问量:79917
证:工商信息已核宝br /> 访问量:79917
手机网站
扫一扫,手机访问更轻杽/div>
产品分类
其他分级设备
袋式除尘装置及配仵/a>
产品简今/div>
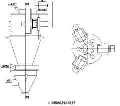
我公司在微粉及超细粉的分级方面进行了多年的研究开发工作。成功开发了TCX系列超细分级机,随着超细粉在各行各业的广泛应用,TCX系列超细选粉机必将有着更为广泛的应用前景、/p>
2、工作原琅/strong>
超细选粉机的原理是通过高速旋转的叶轮产生一个分级介面,粉体在气流的带动下进入这个分级介面,旋转产生的离心力是粒子自身质量的数千倍。当粉体所受离心力大于气体的携带力时,粉体被甩离分级介面(粗粉);当离心力小于气体的携带力时,粉体在气体的携带下,进入叶轮?后进入除尘器被捕集(细粉),从而实现对粉体的调节、/p>
具体工作流程:粉体在气体的携带下,由进料口管道(一次进风口)进入分级机,在上升过程中受到切向进入的二次进风口的气体作用,对刚进入的粉体及从上落下的粉体进行风选,经风选后,粗粉从粗粉出料口排出经输送设备回磨机重新粉磨。细粉在气体的携带下进入叶轮分级介面再一次分级,较细粉体穿过叶轮随气流从细粉出口进入袋式除尘器收集、/p>
3、性能特点
?)可配合各类干式粉磨机械(气流磨、气旋磨、行星磨、球磨、立式磨、雷蒙磨、振动磨等)组成闭路系统:/p>
?)分级精度高,可在d90=2-15m,只需调节分级转子转速,即可调节分级粒径并实现无级分级,整个分级过程采用变频控制,操作简便;
?)分级效率高,物料在卸出前受到旋流二次风选,将混杂或粘附于粗粒的细粒子进一步分离,从而提高了分级效率和分级精度;
?)分级转子采用特殊材料制成,结构合理,单只或多只并用,传动稳定可靠,使用寿命长、/p>
?)该机处理能力大、投资省等是替代进口的理想超细粉分级设备、br />
- 推荐产品
- 供应产品
- 产品分类