齐耐(山东)新材料有限公司
首页 > 产品中心 > 其他研磨介质 > 棕刚玈/div>
产品详情
棕刚玈/div>
棕刚玉的图片
参考报价:
1万元以下
品牌9/dt>
关注度:
2443
样本9/dt>
暂无
型号9/dt>
BFA
产地9/dt>
山东
信息完整度:
典型用户9/dt>
暂无
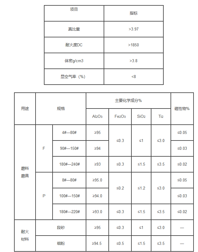
莫氏硬度9/div>
?/div>
粒度/直径(μm):
?/div>
密度9/div>
?/div>
含量9/div>
95.00%-97.00%
材质9/div>
氧化铜/div>
形状9/div>
琂/div>
索取资料及报件/a>
认证信息
高级会员 5平/div> 称: 齐耐(山东)新材料有限公司
证:工商信息已核宝br /> 访问量:25991
手机网站
扫一扫,手机访问更轻杽/div>
产品分类