8572
2025-09-29
中国粉体网讯近日,山西稷山经济技术开发区传来重磅消息:山西金达泰新材料科技有限公司年产6万吨二氧化硅高活性吸附材料项目主体结构施工已基本完成,设备正陆续进场安装,一期工程预计年底即可投入运行、/p>

据中国粉体网了解,山西金达泰新材料科技有限公司年产6万吨二氧化硅高活性吸附材料项目,由山西金达泰新材料科技有限公司投资投资2.4亿元建设,主要建设内容包括硅酸钠生产车间、硅胶生产车间、配酸车间以及配套公辅工程、环保工程。项目达产后将形成年?万吨细孔硅胶(A型硅胶)的生产能力、/p>
产品方案一览表

项目达产后,预计年产值可?亿元,提?00余个就业岗位,更有望推动稷山成为华北地区重要的二氧化硅新材料生产基地、/p>
主要原辅材料用量?/p>

在项目列出的5大类主要原辅材料中,看似普通的石英砂实则扮演着"品质基石"的关键角色。根据项目技术标准,所用石英砂必须满足严苛指标9/p>
该项目石英砂质量指标?/p>

行业数据显示,石英砂的纯度与粒度分布直接影响硅胶的吸附性能和球形合格率。该项目对石英砂的严格把控,正是保障产品达到优等品标准的核心前提。项目每年需消耗石英砂3.583万吨,与纯碱、硫酸等原料协同作用,支撑起整个生产体系、/p>
工艺解密:两步法造出高端吸附材料
该项目生产的细孔硅胶(二氧化硅高活性吸附材料)是一种新型纳米多孔材料,具有吸附能力强、选择性高的特点,被广泛应用于食品提纯、药品分离、工业废气处理和化工催化等领域、/p>
该项目产品的主要生产工艺分为两步:第一步是生产硅酸钠,硅酸钠的生产方法包括干法和湿法工艺,干法工艺一般以石英砂和纯碱为原料,通过配比进入马蹄焰炉,在高温条件下形成熔融状态硅酸钠,后经冷却形成固体产品;湿法工艺以液体苛性钠和石英砂为原料,按适当比例混合加入压热釜内,用蒸汽加热并进行搅拌,使之直接反应而成液体硅酸钠,经过滤、浓缩制得成品。该项目硅酸钠采用干法工艺、/p>

硅酸钠生产工艺流程图
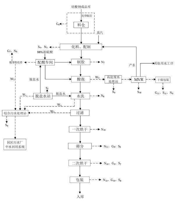
第二步是硅酸钠(部分自产)和浓硫酸反应生产硅胶。该项目采用空气造粒技术生产硅胶,其工艺原理为二氧化硅在空气中由于本身的表面张力而收缩成球形,在酸性介质(pH6-6.7)和受热情况下极不稳定,因而在极短时间内迅速形成硅凝胶,硅凝胶进一步在酸性环境处理后使其结构得到稳定,后经水洗、烘干等工序后形成产品白色球形硅胶、/p>

硅胶生产工艺流程国/p>
企业技术人员透露?quot;这套工艺流程整合了国内同类企业的技术优点,通过自动化生产线控制,既能保障产品品质稳定,又能提升成本控制能力?quot;
参考来源:运城新闻网;运城日报;稷山经济技术开发区官网
(中国粉体网编辑整?九?
?图片非商业用途,存在侵权请告知删?
2025-11-05
2025-11-05
2025-11-05
2025-11-05
2025-11-05
2025-11-05
2025-11-05
2025-11-05