南通三圣石墨设备科技股份有限公司
首页 > 产品中心 > 石墨 > 石墨材料
产品详情
石墨材料
石墨材料的图?/></a></div></div></div>         <div class=
参考报价:
面议
品牌9/dt>
三圣石墨
关注度:
208
样本9/dt>
暂无
型号9/dt>
石墨材料
产地9/dt>
江苏
信息完整度:
典型用户9/dt>
暂无
索取资料及报件/a>
认证信息
称: 南通三圣石墨设备科技股份有限公司
证:工商信息已核宝br /> 访问量:7850
手机网站
扫一扫,手机访问更轻杽/div>
产品简今/div>

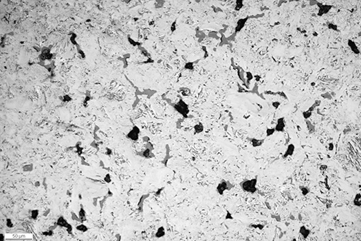
照片来源:德国拜耳技术服务材料检测报呉/p>

石墨材料由于其优良的导热性能及杰出的防腐性能被广泛应用化工、电子、钢铁、医药等行业。南通三圣石墨设备科技股份有限公司致力石墨材料的开发与研究已有40多年历史,拥有丰富的应用经验?0多项专有技术,所开发的石墨材料包括B1、B2、B3,所采用的浸渍液包括合成树脂和氟复合树脂?*耐温可达200℃以上,用户可根据设计的要求参照我公司材料特性数据表及耐化学性性能表选择相应石墨材料、/p>


  • 推荐产品
  • 供应产品
  • 产品分类