认证信息
高级会员
3平/div> 称:
天津市众拓科技发展有限公司
证:工商信息已核宝br /> 访问量:17742
证:工商信息已核宝br /> 访问量:17742
手机网站
扫一扫,手机访问更轻杽/div>
产品分类
产品简今/div>
批发定制戴防护门的SZT_30T压片机质量稳?小型手动

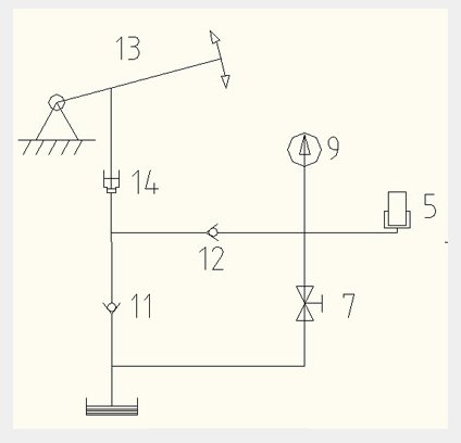
二、结构部件名称:
1、手?、固定螺?、丝?、工作台5、油缷/p>
6、支?、泄压阀8、底?、压力表10、注油孔
11、吸油阀12、进油阀13、打压手?4、柱塝/p>
三、油路原理图9/p>


- 推荐产品
- 供应产品
- 产品分类
