应用
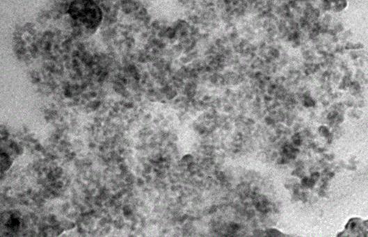
目的为满足颌面部骨缺损修复的需?文中旨在构建氧化石墨?GO)修饰的三维联通纳米氧化锆(ZrO2)骨组织工程支?并评价GO修饰后复合支架的表面形貌、机械强度以及细胞相容性。方法采用改良Hummers法制备GO,扫描电镜、透射电镜及傅里叶红外光谱进行表征。硅烷介导下,将ZrO2支架与不同浓?0.5??.5mg/mL)GO分散液结?选择表面均匀结合GO的复合支架进行压缩强度测?并与人牙髓干细胞(hDPSCs)共培?肌动蛋白染色观察细胞在支架上生长情况,MTS法检测细胞活力。结果表征结果显礹扫描电镜下观?GO呈片?可见褶皱的表面形?部分GO片层在边缘折叠翘赶透射电镜下可清晰地观察到GO呈轻纱状半透明微皱的片状结?高分辨过滤像中可见该区域的晶体结构显示出与石墨一样的六元环结构。高倍电镜下1.0mg/mLGO-ZrO2支架可见到薄层的GO沉积在支架骨架的裂纹?连接裂纹两端,并且可观察到陶瓷颗粒表面沉积带有褶皱的层状GO。机械性能对比结果显示,GO-ZrO2支架的压缩强度为([1.292±0.087)Mpa]较ZrO2支架([1.031±0.076)Mpa]显著增加(P<0.05)。与单纯ZrO2支架相比,在GO-ZrO2支架上均可见细胞更为密集的伸展黏附于支架表面,表现出更为活跃的细胞增殖状态。细胞活力检测结果显?hDPSCs在GO-ZrO2支架上培???d?细胞活力均显著高于单纯ZrO2支架(P<0.05)。结论GO修饰ZrO2支架可改善机械性能,促进hDPSCs的早期增?呈现出良好的细胞相容性?..

1789

2020-02-28

Copyright©2002-2025 Cnpowder.com.cn Corporation,All Rights Reserved