研究

2020

2019-07-19

研究
è§å…‰é“œçº³ç±³ç°‡(Fluorescent copper nanoclusters,CuNCs)是以脱氧核糖核酸é“?Deoxyribonucleic acid,DNA)为模æ?以二价铜离å­(Cu^2+)ã€æŠ—å血酸等为å应物生æˆçš„铜晶体,纳米级大å°?其具有è§å…‰æ€?å¯ä»¥ä½œä¸ºç”Ÿç‰©ä¼ æ„Ÿå™¨è¾“出信å·çš„ä¸€ç§æ–¹å¼ã€‚è§å…‰é“œçº³ç±³ç°‡çš„生æˆå¿«é€Ÿã€ç®€ä¾¿ã€å®‰å…?å› æ­¤è¿‘å¹´æ¥æ¶ŒçŽ°å‡ºå¾ˆå¤šå…³äºŽè§å…‰é“œçº³ç±³ç°‡åŽŸç†å’Œåº”用方é¢çš„研究。从支æŒä¼ æ„Ÿå™¨å·¥ä½œçš„介导物质以åŠä¿¡å·è¾“出方å¼ä¸¤æ–¹é¢å¯¹è§å…‰é“œçº³ç±³ç°‡è¿›è¡Œåˆ†ç±»,详细é˜è¿°äº†æ¯ä¸€ç±»åˆ«ä¼ æ„Ÿå™¨å·¥ä½œçš„原ç†,并对比åŒç±»åž‹ä¼ æ„Ÿå™¨çš„优缺ç‚?最åŽå¯¹è§å…‰é“œçº³ç±³ç°‡ä»‹å¯¼çš„生物传感器目å‰å­˜åœ¨çš„ä¸è¶³åŠä»ŠåŽçš„å‘展趋势进行了展望。以便读者对è§å…‰é“œçº³ç±³ç°‡ç”Ÿç‰©ä¼ æ„Ÿå™¨å‘展历程和方å‘,对è§å…‰é“œçº³ç±³ç°‡ç”Ÿç‰©ä¼ æ„Ÿå™¨çš„实用性和多形性有所了解,在未æ¥çš„研究å‘展中得到å¯ç¤?使è§å…‰é“œçº³ç±³ç°‡æˆä¸ºä¸€ç§æ›´åŠ å®žç”¨å’Œä¾¿æ·çš„生物传感工具ã€?..

1960

2019-07-16

研究
目的介ç»çº³ç±³çº¤ç»´ç´ åœ¨åŒ…装中的应用与国内外的研究现çŠ?é˜è¿°çº³ç±³çº¤ç»´ç´ åœ¨æ”¹å–„åŒ…è£…ææ–™æ°”体阻隔性能方é¢çš„作用机ç†ã€ä½œç”¨æ–¹å¼åŠä½œç”¨æ•ˆæžœ,å¹¶å¯¹çº³ç±³çº¤ç»´ç´ åœ¨æ°”ä½“åŒ…è£…ææ–™é¢†åŸŸä¸­çš„åº”ç”¨å‰æ™¯è¿›è¡Œå±•望。方法归纳整ç†å›½å†…外文献,简å•介ç»çº³ç±³çº¤ç»´ç´ çš„基本性能和制å¤?以åŠçº³ç±³çº¤ç»´ç´ å¤åˆææ–™çš„制备方法,å¹¶é‡ç‚¹æ•´ç†åˆ†æžçº³ç±³çº¤ç»´ç´ å¤åˆææ–™åœ¨é˜»éš”åŒ…è£…ææ–™é¢†åŸŸçš„åº”ç”¨ä¸Žè¿›å±•ã€‚ç»“æžœçº³ç±³çº¤ç»´ç´ å…·æœ‰æ¥æºå¹¿æ³›ã€å¯é™è§£ã€å¯å†ç”Ÿä»¥åŠé«˜ç»“晶度等优良特æ€?åœ¨åŒ…è£…ææ–™ä¸­åŠ å…¥çº³ç±³çº¤ç»´ç´ å¯ä»¥æ˜¾è‘—æé«˜åŒ…è£…ææ–™çš„æ°”体阻隔性能。结论éšç€å¯¹çº³ç±³çº¤ç»´ç´ ç ”ç©¶çš„ä¸æ–­æ·±å…?çº³ç±³çº¤ç»´ç´ åœ¨æ°”ä½“é˜»éš”åŒ…è£…ææ–™ä¸­çš„应用会越æ¥è¶Šå¹¿æ³›ã€?..

2127

2019-07-11

研究
麦羟硅钠çŸ?magadiite)æ˜¯ä¸€ç§æ–°åž‹çš„å±‚çŠ¶çº³ç±³ç¡…é…¸ç›ææ–?由于其具有制备工艺简å•ã€æ¯”表é¢ç§¯å¤§ã€é˜³ç¦»å­äº¤æ¢æ€§èƒ½é«˜ã€å¸é™„性能强ã€å±‚间膨胀性能好等优点,æˆä¸ºçº³ç±³ææ–™æå‡èšåˆç‰©æ€§èƒ½æœ€å…·æœ‰å‘å±•æ½œåŠ›çš„ææ–™ä¹‹ä¸€ã€‚本文主è¦ç»¼è¿°äº†éº¦ç¾Ÿç¡…é’ çŸ?èšåˆç‰©çº³ç±³å¤åˆææ–™çš„常用制备方法åŠå…¶ä¼˜ç¼ºç‚?包括èšåˆç‰©æ’层法ã€å•ä½“åŽŸä½æ’层èšåˆæ³•ã€é”šå›ºæ’层èšåˆæ³•。浅谈了国内外利ç”?ç§æ–¹æ³•制备的基于èšè‹¯ä¹™çƒ¯ã€èšä¸™çƒ¯ã€çŽ¯æ°§æ ‘è„‚ã€å°¼é¾?ã€èšå·±å†…酯和èšç”²åŸºä¸™çƒ¯é…¸ç”²é…¯ç­‰å¤šç§èšåˆç‰©çš„麦羟硅钠石/èšåˆç‰©çº³ç±³å¤åˆææ–?对在纳米å¤åˆææ–™ç»“构中出现界é¢ä¸ç›¸å®¹ã€éº¦ç¾Ÿç¡…钠石分布ä¸å‡åŒ€çš„问题æå‡ºäº†è§£å†³æ–¹æ³•,å¹¶é˜è¿°äº†éº¦ç¾Ÿç¡…钠石对纳米å¤åˆææ–™ç»“构和性能的影å“?最åŽå±•望了麦羟硅钠çŸ?èšåˆç‰©çº³ç±³å¤åˆææ–™çš„å‘展剿™¯ã€?..

2125

2019-07-10

研究
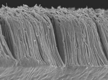
纳米线具有超高强度åŠè¶…大弹性应å?以其增强的å¤åˆææ–™è¢«é¢„期具有超常力学性能,ç„¶è€?已有研究结果一ç›?令人失望"。其原因是纳米线的超常力学性能未能在å¤åˆææ–™ä¸­ä½“现。基于对ä½é”™æ»‘移型金属基体中的ä½é”™ä¸Žçº³ç±³çº¿ç•Œé¢äº¤äº’作用是"失望"之æºçš„猜æƒ?æå‡ºé‡‡ç”¨ç‚¹é˜µåˆ‡å˜åž‹é‡‘属的切应å˜ä¸Žçº³ç±³çº¿çš„弹性应å˜ç›¸åŒ¹é…的设计概å¿?选择纳米线Nb/NiTi记忆åˆé‡‘等体ç³?è¯å®žäº†çº³ç±³çº¿(带ã€ç²’å­?的超常力学性能得以在å¤åˆææ–™ä¸­ä½“现,使å¤åˆææ–™å…·å¤‡è¶…常力学性能æˆä¸ºçŽ°å®žã€‚æ­¤å¤?还å‘现上述çªç ´å¯å¼•å‘å¤åˆææ–™å‘ˆçŽ°è¶…å¸¸åŠ›å­¦æ€§èƒ½çš„æ–°æœºåˆ¶(å¤§åº”åŠ›è€¦åˆæ•ˆåº”ç­?ã€‚æ®æ­¤è®¾è®¡çš„Nb纳米çº?NiTi记忆åˆé‡‘å¤åˆææ–™å…¼å…·:å¼¹æ€§åº”å˜æžé™å¤§äº?%,弹性模é‡ä½Žäº?8 GPa,屈æœå¼ºåº¦é«˜è¾¾1.65 GPaã€?..

1528

2019-07-05

研究
二维二硫化钼(2D MoS2)是石墨烯之åŽç ”ç©¶æœ€çƒ­çš„äºŒç»´ææ–™ä¹‹ä¸€,å…·æœ‰çŸ³å¢¨çƒ¯ç±»äºŒç»´ææ–™ä¼˜å¼‚的力学性质和独特的带隙ã€å‚¬åŒ–特æ€?是高分å­åŸºçº³ç±³å¤åˆææ–™ç ”ç©¶çš„çƒ­é—¨ææ–™ä¹‹ä¸€ã€‚文中简介了2D MoS2的微观结构ã€å®è§‚特æ€?梳ç†äº?D MoS2/高分å­çº³ç±³å¤åˆææ–™æˆåž‹åˆ¶å¤‡æ–¹æ³?ä¸»è¦æœ‰ç†”èžå…±æ··ã€æº¶æ¶²å…±æ··å’ŒåŽŸä½èšåˆ3ç§?而原ä½èšåˆå¯ä»¥æ›´å¥½åœ°ä¿æŒ2D MoS2在高分å­åŸºä½“中的分散æ€?总结äº?D MoS2对高分å­åŸºä½“的改性效æž?å¯ä»¥æ˜¾è‘—æ”¹è¿›é«˜åˆ†å­ææ–™çš„åŠ›å­¦ã€è€çƒ­ã€é˜»ç‡ƒã€å¯¼ç”µå’Œä»‹ç”µç­‰è¯¸å¤šæ€§èƒ½,表明2D MoS2是一ç§é«˜æ•ˆçš„ç»¼åˆæ”¹æ€§å‰‚;分æžäº?D MoS2/高分å­çº³ç±³å¤åˆææ–™åœ¨ä¼ æ„Ÿã€ç›‘测ã€åˆ†ç¦»ã€çޝä¿ã€èƒ½æºã€å¥åº·åŒ»ç”¨ç­‰è®¸å¤šé¢†åŸŸçš„应ç”?总结ã€å±•望了研å‘该å¤åˆææ–™çš„æŒ‘战与å‘展方å‘ã€?..

1346

2019-07-04

研究
æ°´å‡èƒ¶æ˜¯ç”±åŒ–学或物ç†äº¤è”å½¢æˆçš„具有高分å­ç½‘络的èšåˆç‰©,æœ‰è¾ƒå¥½çš„å¸æ°´æ€§å’Œä¿æ°´æ€?且在一定压力下ä¸ä¼šæº¢å‡ºã€‚éšç€æ°´å‡èƒ¶è¿›å…¥äººä»¬çš„视野以æ¥,æ°´å‡èƒ¶çš„åˆ¶å¤‡å·¥è‰ºå’Œåº”ç”¨èŒƒå›´åœ¨ä¸æ–­åœ°ä¼˜åŒ–和增加,ä½†ç›®å‰æ°´å‡èƒ¶ä»å­˜åœ¨è¾ƒå¤šé—®é¢˜äºŸå¾…è§£å†?如叿°´æ€§å·®ã€ä¿æ°´æ€§å·®ã€è€ç›æ€§å·®ã€æœºæ¢°å¼ºåº¦å·®ã€é™è§£æ€§å·®ç­?且目å‰å¤šæ•°æ°´å‡èƒ¶é‡‡ç”¨çš„原料ä»ä¸ºçŸ³æ²¹äº§å“?由于我国资æºçŸ­ç¼º,æ°´å‡èƒ¶çš„进一步å‘展å—到严é‡é˜»ç¢ã€‚为了解决这些问é¢?ç ”ç©¶è€…å°†è§†çº¿é€æ¸è½¬å‘了天然高分å­ã€‚å¤©ç„¶é«˜åˆ†å­ææ–™å¤šå­˜åœ¨äºŽè‡ªç„¶ç•?资æºä¸°å¯Œã€‚最早在水å‡èƒ¶ä¸­å¼•å…¥çš„ä¸»è¦æœ‰æ·€ç²‰ã€çº¤ç»´ç´ ã€å£³èšç³–等物质。纤维素是自然界中最丰富的自然资æºä¹‹ä¸€,ä¸”æœ¬èº«å…·æœ‰æ— æ¯’ã€æ˜“é™è§£ã€ç”Ÿç‰©ç›¸å®¹æ€§å¥½ç­‰ä¼˜ç‚?被广泛应用于å„个领域。然è€?纤维素本身水溶性差ã€åŠ›å­¦æ€§èƒ½å·?虽能有效æé«˜å¸æ°´ã€ä¿æ°´æ€?但在制备过程中存在一定的问题。因æ­?纤维素的改性æˆä¸ºç ”究热ç‚?羧甲基纤维素等一系列è¡ç”Ÿç‰©è™½èƒ½å¾ˆå¥½åœ°è§£å†³çº¤ç»´ç´ éš¾æº¶äºŽæ°´çš„问题,但水å‡èƒ¶çš„å‡èƒ¶å¼ºåº¦å’Œè€ç›æ€§ä»æœªè§£å†³ã€‚众所周知,纳米粒å­å…·æœ‰ä¸€å®šçš„刚æ€?能有效调节物质的力学性能,因此研究者将视线转å‘纤维素的å¦ä¸€è¡ç”Ÿç‰?å³çº³ç±³çº¤ç»´ç´ ã€‚由于纳米纤维素的尺寸为纳米çº?其性质也会å‘生改å˜,纳米尺寸ä¸ä»…èµ‹äºˆçº¤ç»´ç´ æ— æ¯’ã€æ˜“é™è§£ç­‰ä¼˜ç‚?还使其具有纳米粒å­å¯†åº¦ä½Žã€åŠ›å­¦æ€§èƒ½å¥½ã€äº²æ°´æ€§å¼ºå’Œçƒ­è†¨èƒ€ç³»æ•°ä½Žç­‰ä¼˜ç‚¹ã€‚将纳米纤维素引入水å‡èƒ¶ä¸?相较于传统的水å‡èƒ¶ä¸»è¦æœ‰ä¸‰å¤§ä¼˜åŠ¿:(1)叿°´æ€§å¢žå¼¹û(2)è€ç›æ€§å¥½;(3)å‡èƒ¶å¼ºåº¦é«˜ã€‚基于此,æœ¬æ–‡åœ¨å¤§é‡æ–‡çŒ®åŸºç¡€ä¸?首先综述了纳米纤维素åŠçº³ç±³çº¤ç»´ç´ åŸºæ°´å‡èƒ¶çš„制备方æ³?主è¦åŒ…æ‹¬ç‰©ç†æœºæ¢°æ³•ã€åŒ–学法和物ç†åŒ–å­¦ç»“åˆæ³•,并分别总结了三ç§åˆ¶å¤‡æ–¹æ³•的优缺炸ûç„¶åŽä»‹ç»äº†çº³ç±³çº¤ç»´ç´ åŸºæ°´å‡èƒ¶åœ¨å†œä¸šã€ç”Ÿç‰©åŒ»?...

1795

2019-07-02

研究

1175

2019-07-02

Copyright©2002-2025 Cnpowder.com.cn Corporation,All Rights Reserved