www.188betkr.com 讯小麦是世界上食用人数最多、分布最广的粮食作物,被称为“世界性的粮食”。中国是全球小麦消费量最高的国家,每年小麦需求量达1亿多吨,其中近90%加工成小麦粉。小麦粉是食品的基本原料,可以用来制作馒头、包子、面条、油条、面包、饼类等各种食品。可以说,小麦粉是人类最常见的、也是与人类关系最密切的粉体了。

小麦粉虽然极为普通,但是针对小麦制粉的技术,人类至今已经摸索了2000多年仍有提升的空间。
完善的小麦制粉工艺
公元前600年左右的古代东方时期,人们发明了名为“旋转石臼”的研磨工具。通过让上下两层石头旋转,可以制作出更细的小麦粉。这种旋转石臼的原理后来传到了欧洲和中国,其规模也逐渐扩大,人们开始使用水车和风车来驱动这种研磨设备。18世纪,英国发生了工业革命,瓦特发明了蒸汽机,这极大地改变了面粉加工技术,大规模的面粉工厂应运而生。到了19世纪,如今仍在面粉厂中使用的滚筒机也应运而生,从而生产出了质量更加优良的小麦粉。
完善的小麦制粉工艺应确保小麦皮层、糊粉层、胚乳、胚芽能够有效分离,将胚乳磨细成粉。由于胚乳从中心到周边的蛋白质、淀粉、矿物质含量与质量不同,希望从中心向周边逐步取粉,形成不同的小麦粉,现代制粉工艺考虑这些因素,采用分层研磨、逐步剥离的方式。
正确控制入磨小麦的流量
在制粉中应根据原粮状况确定最佳的入磨流量。一般通过眼看、手摸、牙咬等感官鉴定的方式确定入磨净麦的含杂、水分、软硬程度和润麦状况。同时还要结合环境温度和湿度来检测当时所能达到的最大入磨流量,并逐步分配调节,保证物料按工艺设计要求的比例分配到各系统中去,从而确定出小麦最佳入磨流量。
保持磨粉机喂料均匀
喂料的好坏与研磨效果有直接的关系,若物料不能沿辊长均匀分布,不仅研磨效果降低,而且料厚处的磨辊易局部磨损,使整个磨辊长度上轧距不一致。因此,精心调节喂料活门的工作间隙及掌控料筒内最低料位很重要。
准确掌握各系统研磨效果
轧距的大小是决定研磨效果的主要因素,轧距的调节是磨粉机最重要的操作内容。轧距的调节分为开机前粗调和开机后的微调,在制粉中主要是微调。正确地掌握各道研磨的“度”极为重要。
用好清粉机是关键
清粉是现代制粉工艺的核心系统之一,是生产高等级小麦粉的必备手段。在生产现场操作中,清粉机是可调参数最多的设备,而每一项的调整对生产工艺中流量、质量的平衡都将产生影响。
应用好配粉工艺
配粉工艺亦称小麦粉后处理系统,它是生产高品质小麦粉必须配备的工艺设施。小麦粉后处理系统由配粉仓、配粉设备、输送设备和除尘设备等四大部分组成。配粉工艺主要是根据各种基础小麦粉的品质特性按照一定比例进行合理搭配,合理添加小麦粉品质改良剂。

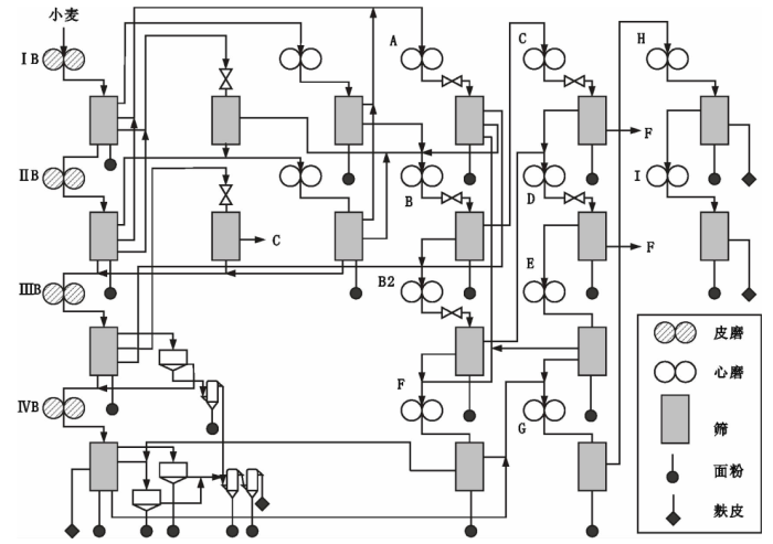
小麦制粉工艺流程图
小麦制粉工艺装备
小麦经过清理、搭配及水分调节,成为纯净的、能够满足制粉效果的净麦。制粉工艺的目的在于将小麦颗粒剥开,然后将颗粒中的胚乳与麦皮、麦胚分开,尽可能地提纯胚乳颗粒,并把这些胚乳颗粒研磨成所要求细度的面粉。制粉工艺过程中的主要方法是研磨和分离,前者靠磨粉机实现,后者靠筛粉机械和清粉机完成。
磨粉机是制粉设备中最关键的设备,目前多采用辊式磨粉机。辊式磨粉机是利用两根铸铁圆辊以不同速度相对运转,通过挤压和剪切等把小麦剥开,然后从剥开的皮层上逐步刮净胚乳,再将胚乳颗粒磨细成粉。在一个工艺完善的制粉过程中,小麦粉质量(指粉色和灰分)和面粉出率主要取决于磨粉机的操作和维护。
筛粉机械是制粉设备中物料分级、筛理面粉等设备的总称。筛粉机械把研磨后的物料按颗粒粒度加以分类,并筛出面粉。筛粉机械有平筛(挑担平筛、高方平筛及小方筛)和圆筛等形式。刷麸机和打麸机是通过打板或刷帚对麸皮进行摩擦和打击,从而使粘在麸片上的粉粒分离,由于配备了筛网,因此也具有筛粉功能。
在生产高精度面粉时,为了提高高精度面粉的出率可使用清粉机。清粉技术使制品分级更加到位,提高了颗粒纯度。清粉机利用气流和筛理的双重作用,将筛理后粒度相近的物料,按照含有麸皮的多少进行分离,形成带麸皮的胚乳碎片——麦渣、纯净的胚乳——麦心、主要是麦皮的颗粒——麸屑等细分物料,从而为磨粉机选择性粉碎提供保证。
整个制粉流程中,还用到以下设备:
振动筛:小麦制粉之前的清理操作所使用的机械设备主要有振动筛等筛选机械,通过振动筛上的筛孔,将与麦粒形状大小不同的杂质分离开来。
色选机:现在很多企业在小麦清理工艺中采用了色选机,色选机可有效清理小麦中的异色粮粒、石子等物质,对保证小麦粉质量起到了很好的作用。
小麦制粉检测技术
现代小麦制粉测控技术贯穿着制粉企业从原料采购、分类、储藏到生产过程控制、产品质量检验和新产品研发的每个环节。
小麦籽粒外观检测方面
小麦籽粒的外观性状与制粉性能密切相关,籽粒的大小、形状、整齐度、种皮颜色、籽粒饱满度、千粒重、容重、角质率、硬度等对出粉率都有影响,而未熟粒、虫蚀粒、破损粒、发芽粒、霉变粒等不仅降低出粉率,而且还在一定程度上影响面粉品质和卫生安全。
SC-X型小麦品质分析和面粉麸星检测仪,采用计算机视觉技术,可以快速测量小麦的粒数、千粒重、粒形、霉变率、芽麦率、黑胚率、破损率等,也可以检测面粉的麸星、砂石的大小和含量。
小麦籽粒水分检测方面
在企业采购过程中,水分是小麦质量非常关键指标之一。法国肖邦公司开发的全自动原粮接收检测系统,包括自动扦样装置、负压吸送装置、快速小型杂质清理分级机、水分容重器、近红外品质检测仪、计算机中央控制系统等,能取代人工对小麦原粮样品的杂质、容重、水分、灰分、蛋白质含量等理化指标完成快速检测,大大缩短检验时间、降低人工成本、提高原粮接收效率。
小麦的实验制粉检测方面
实验室制粉最主要的设备就是实验磨粉机,目前在我国可供制粉企业选择的实验磨粉机,国产设备主要有开封茂盛粮食机械有限公司生产的LSM20型实验磨粉机,无锡穗邦科技有限公司生产的LM-85/40型实验磨粉机;进口设备有瑞士布勒公司生产的MCKA型、ALMB型实验磨粉机,德国布拉本德公司生产的Quadrumat Senior型、Quadrmat junior型实验磨粉机,法国肖邦公司生产的CD1 AUTO型实验磨。
面粉的加工精度检测方面
小麦籽粒经过清理、研磨、筛分等一系列工序,最终被磨制成供人们食用的各种食品的基础原料——面粉。无锡穗邦科技公司开发了基于计算机图像处理技术和数值分析技术的小麦加工精度测定仪,该仪器可以同时测定小麦粉的粉色麸星(白度、色差值、麸星含量、麸星个数、最大麸星面积)等多项指标,实现了用仪器快速测定小麦粉加工精度。

面团的流变学指标检测方面
面团流变学特性反映的是小麦粉加水之后混合的过程中面团的物理性质,包括面团形成前后所表现的耐揉性、黏弹性、延伸性等。测试面团流变学特性可以间接地评价小麦粉的食品加工品质,即是否适合制作某种食品,为各种以面粉为基础原料的食品提供参考依据。目前这方面的主要仪器有粉质仪、拉伸仪、揉混仪、吹泡仪等。
时至今日,粉质仪已经成为我国小麦制粉企业用以测试小麦粉筋力强弱最主要的仪器,在企业的配麦配粉、品质管控、专用粉研发等方面扮演着不可缺少的角色。进口粉质仪主要有德国产的布拉班德粉质仪,国产仪器生产厂家较多,具有代表性的为国家粮食局科学研究院东方孚德技术发展中心研制生产的JFZD电子式粉质仪。
面粉的损伤淀粉检测方面
淀粉是面粉的主要化学成分之一,其含量约占面粉质量的75%,淀粉的许多性质,如损伤淀粉含量、直链/支链淀粉比例、糊化和膨胀特性等都会对面制品产生影响,其中损伤淀粉含量对面粉的食用品质影响较大。法国肖邦公司利用损伤淀粉易于吸收游离碘的原理开发出了SDmatic损伤淀粉测定仪,简化了测定过程,只需10分钟即可获得定量结果。
生产在线测控技术与装备
基于激光测距原理的原粮数量实时监测系统、基于微波技术的小麦水分在线测控系统、基于近红外光谱的面粉品质控制系统、基于激光粒度测量技术的在线面粉粒度监测、生产线或设备上的各种传感器,都为保证生产过程的平稳高效运行和精细化管理提供依据和保障。
参考来源:
[1]王磊:小麦粉加工工艺研究,河北省粮油质量检测中心
[2]刘春光:“适度加工”是保留小麦营养成分的根本途径,江苏省粮食科学研究设计院有限公司
[3]李林轩等:保证小麦粉生产质量稳定的技术措施探讨,湖南省永州市粮食经济科技学会
[4]李林轩等:浅析我国小麦制粉工艺的特点与创新点,湖南省永州下河国家粮食储备库
[5]高杨杨等:辊式磨粉机小麦制粉工艺参数研究进展,河南工业大学粮油机械研究所
[6]朱海言等:浅谈小麦制粉工艺流程与配粉工艺流程的设置,郑州华森粮食工程有限公司
[7]曹辉等:小麦制粉的现代化检测设备,陕西省粮油科学研究设计院
(www.188betkr.com 编辑整理/平安)
注:图片非商业用途,存在侵权告知删除!









